fwalsh
Automirador de dedo.
Como dice el título del post, tenía que armar un artilugio que midiese la tensión, corriente y potencia a la salida de un variac y, dado que tenía uno a mano, procedí a su modificación; el porqué es muy simple, la tensión de funcionamiento del módulo es de 80 a 260VCA lo que lo hacía incompatible para utilizarlo con el variac.
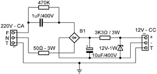
Originalmente el módulo posee una alimentación capacitiva que reduce la tensión ( tomada de los terminales de medición de tensión ) a los 12VCC que necesita para operar, simplemente hay que quitar los componentes y reemplazar esos 12VCC por una fuente externa. Para más datos el módulo consume 5mA con el backlight encendido.
Aquí se puede ver a la izquierda el capacitor y la resistencia de 50Ω 3W

Quitando los dos componentes C12 y R13 ( si se desea también se puede quitar el zener Z2 ) ya tendríamos el módulo preparado para colocarle la alimentación externa que iría en paralelo al capacitor C4 como se puede apreciar en la siguiente imágen

en mi caso utilicé una funte smps de 12V que tenía sobrante pero pueden reemplazarla por una similar a la original, por ejemplo algo así:

El artilugio final quedó de la siguiente forma




Para los que le interese el módulo les dejo las características que vienen en su manual y la página del fabricante para que puedan ver los diferentes modelos.


También les dejo, por si les interesa, la hoja de datos del SoC Vango 98xx por si a alguien se le ocurre extraer los datos que entrega y aprovecharlos para cualquier otro proyecto. Obviamente no hay que olvidarse de aislar galvánicamente todo o arriesgarse a cambiar de peinado instantáneamente y volar lo que venga aguas abajo
Lo que me lleva a recordar que todo lo expuesto anteriormente trabaja con tensiones peligrosas y requiere un mínimo de conocimiento en el manejo de las mismas, ni el autor ni el foro se hacen responsables de los resultados producto de la falta de conocimiento en el tema.
Saludos!!
Originalmente el módulo posee una alimentación capacitiva que reduce la tensión ( tomada de los terminales de medición de tensión ) a los 12VCC que necesita para operar, simplemente hay que quitar los componentes y reemplazar esos 12VCC por una fuente externa. Para más datos el módulo consume 5mA con el backlight encendido.
Aquí se puede ver a la izquierda el capacitor y la resistencia de 50Ω 3W

Quitando los dos componentes C12 y R13 ( si se desea también se puede quitar el zener Z2 ) ya tendríamos el módulo preparado para colocarle la alimentación externa que iría en paralelo al capacitor C4 como se puede apreciar en la siguiente imágen

en mi caso utilicé una funte smps de 12V que tenía sobrante pero pueden reemplazarla por una similar a la original, por ejemplo algo así:

El artilugio final quedó de la siguiente forma




Para los que le interese el módulo les dejo las características que vienen en su manual y la página del fabricante para que puedan ver los diferentes modelos.


También les dejo, por si les interesa, la hoja de datos del SoC Vango 98xx por si a alguien se le ocurre extraer los datos que entrega y aprovecharlos para cualquier otro proyecto. Obviamente no hay que olvidarse de aislar galvánicamente todo o arriesgarse a cambiar de peinado instantáneamente y volar lo que venga aguas abajo
Lo que me lleva a recordar que todo lo expuesto anteriormente trabaja con tensiones peligrosas y requiere un mínimo de conocimiento en el manejo de las mismas, ni el autor ni el foro se hacen responsables de los resultados producto de la falta de conocimiento en el tema.
Saludos!!
Adjuntos
Última edición:
