Banner publicitario de PCBWay

Nuevamente el tema de fabricar un PLC

Renato Masias dijo:
No seas tan estricto pues si estamos hablando aqui de PLC es lógico que ponga las caracteristicas de su PLC terminado.

felicitaciones oximoron, sería bueno que dieras consejos a los que estan realizando el PLC, sugerencias tecnicas de hardware o programación para ahorrar tiempo.

saludos.

No hablaba de las caracteristicas del PLC, si no ha invitarnos a pasr pos su página eso ya es ilegal como poner tu email....
No se puede hacer referncia a ningún negocio si trabajo en ellos, porque eso es publicidad a eso me refiero. son dos partes muy distintas, una es hablar del producto, pero que aporto? que sepamos que hizo, y donde poder comprarlo.... ofrcio cotizarlo eso es publicidad....
Y fijate que esta en mi ciudad y me alegra del logro, pero esto es un foro y no por ello puedo mirar a otro lado.

DE lo posteado que le sirve a quien esta intentando hacer su PLC, obvio no va a entregar su trabajo porque tiene un fin comercial, los que lo hacen con un fin distinto aqui no tienen problema en compartirlo esa es la otra gran diferencia.

Un cordial saludo
 
oximoron en vez de andar enviando caracteristicas de tu producto e invitarnos a tu web mas bien postea cuales son tus problemas que tuviste al realizarlo, ten en cuenta que aqui nosotros tenemos el fin de fabricar un plc diseñado por nosotros y no pensamos comprar uno, tus mensajes no aportan en nada
 
Discurso del hardware:
- TODAS las entradas y salidas optoacopladas
- Poner impedancias de entrada relativamente bajas
- Una fuente de calidad nada de un 7805, por lo menos un lm323 (si no me equivoco de referencia :oops:) o preferiblemnte una fuente comprada "de verdad"
- Otra fuente diferente de arriba a abajo para alimentar los drivers del otro lado de los optos
- Varistores entre L-N L-TT N-TT (mano de santo)
- software bien pensado con watchdog
- Circuito de reset especializado si es que el integrado no es adecuado; dallas tiene unos cuantos denominados econoreset; un condensador y una resistencia van regumal

Con esto y algo que igual olvido las cosas deberían de ir bastante bien
 
El siguiente comentario les puede servir para ver algunos aspectos al diseñar el hardware.
Son observaciones de aplicaciones echas con distintos micros.....
Siendo jefe de mantenimiento de una industria gráfica, habia dos guillotinas alemanas, que datban de los años sesenta y tenian un equipamiento electrónico para grabar los programas de cortes, en su momnto lo resolvieron con una cinta de oxidos metálicos, como las de caseetes pero de unos 50mm de ancho la cual se encontraba solidadria a la escuadra que es la que empuja el material para el corte, y estando el cabezal de lectura en el cuerpo.
Para el despalzamiento dl mimso utilizaba un motor trifásico de dos bobinados, (como si fueran dos motores montados sobre el mismo eje) uno era de avance rápido y el otro de avance lento, la circuiteria y la lógica estaba realizada a transisotres, pero de germanio, cada conunto funcional estaba en un bloque de una resina dentro de un contenedor metalico y el correspondiente enchufe multipin... Con los años y distintos fallos y la dificultad luego de conseguir transistores y diodos de germanio. decidieron modernizarla, ya que la parte mecánica de esas máquinas es una verdaera joya.

Habia un ingeniero que estaba desde antes de mi ingreso que se encargaba de la parte electrica y electrónica, en la practica yo hacia de eso entre un 60 y 80%, eran tres socios, conocia a ambos los tres ingenieros, asi que una vez visto todos los requerimientos de la máquina desarrollaron un hardware basado en PIC, en laboratorio funciona perfectamente, el tema es que puesto en la máquina fallaba, pasaba largar horas analizando que seria el problema hasta que desitio de hacerlo y optaron por la compra de un equipo comercial para ese propósito, la instalación la hizo el ingeniero.
Cuando habir la unida de control para ver en que la habian basado me lleve dos sorpresas porque tenia una fuente sencilla, 7805 para el MCU, pero este no era un PIC era un 68HC11, todo muy pero muy simple nada raro y funciona hasta el dia de hoy y de esto hace más de 10 años... Tras analizar un poco el tema se concluyo que el ruido de linea le resetaba el micro y alli quedo la cosa, luego viendo otras situaciones similares que no detallo parano no cansar, en que se daban situaciones similares, observe que cuando habia un problema semejante los proyectos basadso en 68HC11, no presentaban ese problema, si bien no puedo decir que sea algo conclluyente, si puedo decir o al menos estimar que dadas ciertas situaciones pareciera que el microcontrolador de Motorola tiene alguna Ventaja sobre Microchip, digamos que en ese sentido motorola le lleva varias décadas de ventaja a microchip.

Lo dicho no es para discutir, solo para que lo tengan en cuenta, les puede ser útil o no.

Hay mucha oferta en MCU en estos momentos, desde el viejo 8051 de intel hasta los moderno AVR de Atmel y los Rabbit, obvio que el más popular es sin lugara a dudas los de Microchip, pero me llama la atención que a la hora de situaciones complicadas los 68HC11 se hacen presente.

De echo por ejemplo los micro PLC como el logo pueden utilizar una fuente externa de 12 o 24Vsegún modelo sin ninguna expesificación estraña o compleja

Los variadors de velocidad siemens utilzan una fuente basada en los TOP que son muy sencillas y esos equipos funcionan de maravilla
Bueno les dejo un saludo y el deseo que lleguen a buen puerto con el proyecto
 
pandacba pasate por mi post, ya tengo mi plc terminado 14 entradas 8 salidas 24vdc y probado con distintas fuentes de ruido https://www.forosdeelectronica.com/posts/451506/
 
En unos dias mas estaré libre para seguir este tema, ruego una disculpa y no piensen que solo me gusta "alborotar el hormiguero".

El proyecto que estoy terminando quizas de interes para alguien del foro, los puntos de interes han sido de Control de potencia (hidraulica) servovalvulas, joystick de 3 ejes, reproduccion de video 3D.

Les comparto un video del trabajo casi terminado.


Espero no incurrir en algun tipo de violación al foro.

Saludos !!!

Este proyecto esta basado en el microcontrolador PIC, el joystick tiene un PIC18F2455, se comunica via USB a la PC, lee 3 potenciometros lineales a manera de encoders. La tarjeta de potencia esta basada en un PIC18F4550, lee 3 potenciometros para determinar la posicion de cada cilindro hidraulico y por medio de 3 conversores DAC y 3 amplificadores de potencia controlan las 3 servovalvulas del simulador.

Definitivamente hay ruido electrico, en el cable principal viaja el voltaje para la bomba hidraulica y relevadores de luces, aire y video de la cabina del SRV.

Sinceramente quien diga que un PIC no soporta ambientes de mucho ruido electrico podria perder objetividad. La mayoria de los equipos digitales en ambientes ruidosos (electricamente hablando) tienen problemas si no se filtran correctamente las señales (dije la mayoria por no decir todos y no caer en discusiones interminables).
 
Última edición:
Que tal tratante.

Dice un compañero de trabajo que si eso es para mover placas en el cloruro férrico:D

No, ya en serio, se puede saber que es?
 
Nada de eso, es un simulador de viajes, en la cabina que se observa en el video se acomodan hasta 12 personas y se les proyecta una pelicula 3D, son peliculas cortas que muestran temas como el viaje en una montaña rusa.

Con el Joystick que se observa al final se generan los movimientos, una vez grabados en un archivo, el reproductor sincroniza la pelicula con los movimientos grabados.

Saludos !!!
 
Hola he venido siguiendo el Hilo y es apasionante el empeño que cada quien ha puesto en cada comentario, y los felicito a todos lo que han participado.

Respecto a la ultima intervención de @pandacba, alguna vez en la carrera, mi profesor de microcontroladores nos decia que los PICs solo eran usados en juguetes o cosas que no requerían ser serias (respeto mucho a quienes han usado usan y usaran PICs y muchos proyectos hechos con ellos son impresionantes y con mucha calidad), uno de los argumentos que manejaba mi profesor era que se "auto-inducían ruido", y era una de las muchas cosas por las que demeritaba el uso de los PICs, este profesor nos enseño a utilizar los MSP430 de Texas Instruments y si bien lo mismo que haciamos con estos MCU's se pueden hacer con un PIC, a raiz del ultimo comentario de @pandacba me recordo esto comentado ya hace algunos años atras en mi carrera.

No se que opinaran al respecto ? .. :)
 
Tambien tuve muchos problemas con los pic, en cuestiones de reseteo, pero lo solucioné con capacitores 10uF y 0.1uF cerca del micro, uso de optoacopladores, etc.

He trabajado con pics, varios años, sin volver a tener ese tipo de problemas. Pero un dia...

Detecté que el micro se reseteaba cuando conectaba otra etapa del mismo cto. a 127vca. Se trataba de un PIC16F88.
En otro cto. con el 16f877 tuve un problema similar.

Pero habia algo en comun en dichos circuitos, lo cual me dió una clave y era que en esos ctos, utilizaba el RA5 para i/o, Sin detenerme tanto a investigar el porqué (quizas hay alguna explicacion en la hoja de datos), opte por configurarlo como entrada y ponerle una resistencia pull-up y un capacitor de 0.1uF.

Está es una costumbre que tengo, que me ha quitado muchos dolores de cabeza y que ahora he podido diseñar para ambientes bastante ruidosos, cargas inductivas y alto amperaje sin problemas de reseteo.

Quizas alguien que lea esto me pueda decir: "Es logico por x o y razon". Seria bueno saberlo.

Saludos a todos
 
vaya, excelente solucion, pero que es lo que decia las hojas de datos de los PIC's respecto a estos pines para tener esos problemas, acaso eran multiplexados como I/O y algun otro subsitema ??... en fin muy buen consejo y a cargar con su resistencia de pull-up y capacitor de 0.1 uF se ha dicho :)
 
Este punto podria dar para varios comentarios, el asunto del comportamiento erratico de algunos circuitos basados en PIC, no se desgasten, hay una serie de "Mejores practicas" que debe uno seguir para concretar exitosamente un proyecto con microcontroladores en general, no estaria mal que pudieramos reunirlas en un documento y usarlo como biblia.

Por lo que he podio leer en los comentarios del tema se puede concluir que el circuito base para el PLC debe tener lo siguiente:

- Entradas y salidas del Microcontrolador optoaisladas
- Salidas con relevador (quizas hasta unos 10A en 120AC)
- Fuente de poder lineal (transformador, puente rectificador, regulador uso de fusibles y varistores)
- Interface serial / Usb
- Microcontrolador con UART y arquitectura de 16bits por lo menos, 32Kb Flash
- Entradas permitidas en rango de 3 a 32 volts DC

Que opinan?

Saludos
 
Hola Amigos;
He estado siguiendo vuestro foro y todas las intervenciones me parecen la mar de interesantes. Con vuestro permiso me gustaría aportar mi granito de arena, ya sea con mi experiencia (llevo varios años trabajando para Siemens), ayudando con el desarrollo del soft o del hard (para lo cual debería desempolvar mis estudios de ingenieria electrónica). Debo apoyar las opiniones vertidas aquí, sin ánimo de ser repetitivo, de que hay tres cosas que se deben tener en mente a la hora de desarrollar un PLC: (1) Robustez del hard, (2) soft amigable y (3) sistemas compatibles y estándar al máximo con lo que ya hay en el mercado. Por ello me permito haceros un par de sugerencias:
- No implementeis USB y serie sino solo uno. La ventaja del serie es que permitiría comunicar con otro PLC pero USB es más universal. Lo cierto es que por lo menos aquí en españa los portátiles de empresa vuelven a tener puerto serie y los usb-serie son baratos. Dejad los esfuerzos de desarrollo para buses más estándar en la industria como RS485 y/o Ethernet.
- Pensad en dejar el desarrollo del soft a una plataforma estilo CodeSys que solo tendreis que implementar el driver o gestión de programa y el entorno de desarrollo de programa ya incluye STL/AWL, SFC, CFC, KOP/LAD, FUP, etc...
- Centraros en realizar componentes estándar. Por ejemplo no desarrolleis tarjetas de entradas de 3 a 32 V. Inicialmente por lo menos, desarrollad entradas de 24V que es lo que hay en el 90% de las plantas. Para las analógicas de 0 a 24V y de 4 a 20mA, etc...

Bueno son solo unas sugerencias que espero que no os tomeis a mal. Hasta pronto.

Por cierto se me olvidaba comentaros que los PLC Siemens utilizan una FPGA y no un micro aunque para empezar me parece una buena idea. Por cierto.. ¿Que es un relevador?
 
Última edición:
relevador = rele = relay... antiguamente se usaba con mas frecuencia la palabra relevador, deberias leer revistas antiguas de electronica hay cosas muy interesantes
 
Ojala pudieras descargar el software propuesto que puse a la disposicion del respetable, debe estar en la pagina 2 o 3 de este hilo.

comenta por favor

Saludos
 
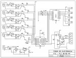
Despues de ver los comentarios que han venido siendo insertados creo es momento de empezar con los diagramas. Siendo realista creo que un modelo sencillo podria ser como el que anexo en este mensaje.

He visto las sugerencias y considero de por alguna parte se debe empezar.

1. Las entradas son de rango amplio, acepta de 3 a 37 Voltios y estan optoaisladas.
2. Las salidas son a relevador
3. Se comunica mediante a la PC usando interface serial
4. Incluye su propia fuente de poder, sencilla pero eficiente; este simple esquema de fuente de poder lo he encontrado en varios dispositivos de uso industrial.
5. Elegi el PIC16F1825 por ser relativamente nuevo y que trae 1KB de Ram + 8KB Flash + 256 EEPROM + 1 USART
6. El programa basico a insertar en el PIC deberá ser capaz de dialogar con comandos ASCII para que en la PC se use HiperTerminal.

Por favor sigan el diagrama y cualquier sugerencia u observacion será agradecida.

Saludos !!!
 

Adjuntos

  • PLC.jpg
    PLC.jpg
    217.1 KB · Visitas: 113
Despues de ver los comentarios que han venido siendo insertados creo es momento de empezar con los diagramas. Siendo realista creo que un modelo sencillo podria ser como el que anexo en este mensaje.

He visto las sugerencias y considero de por alguna parte se debe empezar.

1. Las entradas son de rango amplio, acepta de 3 a 37 Voltios y estan optoaisladas.
2. Las salidas son a relevador
3. Se comunica mediante a la PC usando interface serial
4. Incluye su propia fuente de poder, sencilla pero eficiente; este simple esquema de fuente de poder lo he encontrado en varios dispositivos de uso industrial.
5. Elegi el PIC16F1825 por ser relativamente nuevo y que trae 1KB de Ram + 8KB Flash + 256 EEPROM + 1 USART
6. El programa basico a insertar en el PIC deberá ser capaz de dialogar con comandos ASCII para que en la PC se use HiperTerminal.

Por favor sigan el diagrama y cualquier sugerencia u observacion será agradecida.

Saludos !!!

hola a todos.
yo tengo una pregunta y perdonen mi ignorancia:confused:
las entradas digitales que son regularmente de 24 voltios son AC o DC?
por que si son ac no tendriamos una señal casi cadrada en las entradas al micro?
de antemano muchas gracias por su paciencia y me perdonan cualquier cosa que dije.
 
La verdad la fabricacion de Plc desconozco el proceso ... pero se programar para los PlC´s.

Tengo aca en casa un siemens bastante bueno:
Articulo
Y programo con un programa llamado STEP7:
Programacion
R4886482-01.jpg

Si necesitas alguna ayuda en lo que es la programacion en si , no dudes en contactarme.

Saludos,
 
Última edición:
Hola a todos.

Francamente tenia ganas de programar una aplicacion para editar FBD (Functional Block Diagram). Y pensé en que me generara xml, para que cualquier programador tenga acceso a la informaciín implicita en el diagrama y de esta manera tener la libertad de implementar el hardware y firmware sin limitarse en cuanto al soft.

Investigando me encontre con una grata sorpresa, (disculpas si alguien ya lo mencionó). Existe un soft que lo hace. No quiero poner mi interpretación sobre lo que se puede hacer con esto porque quizas mi enfoque puede excluir otras muchas posibilidades que existen con el mismo. Asi que por ahora solo dejo este pdf.
Ver el archivo adjunto manual_beremiz.rar
 
Atrás
Arriba