Estaba conciente que el capacitor en serie limitaba los graves pero hacia que durara mucho al stk y ademas cuando le ponian bocinas de 4 ohms se dañaba el sk y explotaba el capacitor evitando asi dañar al parlante..
¿Como? Si te refieres a que quede DC en la salida y el capacitor te salva el parlante, ojo no es tan asi y 1000μF es nada.
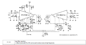
Eso mismo te iba a indicar, con un capacitor electrolítico (posiblemente no polarizado) se eliminan los Bajos... Te consultaba qué pasaría si le pones una bobina en serie...
ojo una red zobel no es un filtro pasivo pasa bajo.
Pregutonta que tengo, si cambio los condensadores de filtrado de alimentación por unos de más Faradios. Conseguiré más graves ? Gracias amigos. Un saludo.
Incrementar la estabilidad de la fuente ante la caída de tensión por incremento de graves, pero claro los graves provienen de la entrada.
Última edición:

