Hola kay
Bueno, Bueno entonces podría ser así:
Presiona una vez, se detiene el contador, presiona de nuevo, continua el contador.
saludos
a sus ordenes
Hola jalzak
Tu contador de 3 BIT’s tiene una entrada para los pulsos que quieres “Contar” pero dices que Cuente +1 Cuando baje o cuando suba. Cierto ?.
En el mensaje anterior que te envié dice:
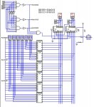
“Analiza la imagen adjunta, esta es una idea de cómo lograr tu objetivo.”
Fíjate: hay un cuadro, en la imagen, que contiene un 5, un poco más abajo hay un símbolo el cual es un contador(74LS190), a este contador le llegan los pulsos por la entrada CP.
Por otra parte, el cuadro que tiene un encabezado diciendo Clock puede ser un 555. Su salida está conectada a un inversor y a un Buffer. El Buffer es ese triangulo con un circulo en la parte baja, esta es su entrada de control, cuando está baja lo de la entrada pasa a la salida, por consecuencia cuando está alta no pasa lo de la entrada a su salida.
Entonces, el Flip-Flop(7474) que ya te había mencionado habilita a un Buffer o a otro, así que los pulsos salen tanto en la pendiente positiva como en la negativa. Tú los llamas Flanco de subida o Flanco De Bajada.
Entonces la señal que vas a utilizar, para tu contador de 3 BIT’s, es la que llega al contador(74LS190) a su terminal CP.
saludos
a sus ordenes