estuve mirando videso y no encontre motores paso a paso que se muevan rapido, creo que un paso a paso no tiene la reaccion para hacer los barridos de una punta a la otra a buena velocidad como muestra el video de funcionamiento original . talvez los topes no sean topes en si , si no centradores y amortiguadores, o sea que talvez sea normal que golpee el motor para que entre en juego el embriage del resorte
Creo que tienes una idea equivocada de los PAP.
Por ejemplo los 42PM48L-01 de 7.5° son usados en los Scanner económicos, incluso los M42SP-5 de 7.5° que los encuentras a montones en impresoras son perfectos para este tipo de proyectos.
Los que usa los Revo Scan son muy rápidos y son como los que indico 42PM48L-01 de 7.5°, como que no encuentras mas bien eso si cuestan mas de lo normal.
Los PAP dependen del Step Angle entre mismo sea menor este alcanzara velocidades mas altas, los hay desde un ángulo de paso de 0.9°, 1,8°, 3.6° y así sucesivamente, por ejemplo uno de 1.8° necesita 200 pasos para dar una vuelta, uno de 7.5° 48 pasos por vuelta, ves la diferencia.
La velocidad depende de la frecuencia de los pulsos de control y del numero de dientes del rotor

, si estos se configuran en Microstep son mas precisos pero pierden fuerza en cambio en paso completo o Fullstep tiene mas torque pero por ende hay mas vibración.
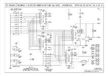
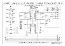
Un par de diagramas y demás de un Scanner y así se nos damos una buena idea de como es su funcionamiento el cual integra el famoso CMOS CD4093.
Un ejemplo de una restauración y así se puede apreciar todo incluso casi se puede palpar.
Viejo dicho >Colombiano si quieren mas que le piquen caña

