El propósito de este post es mostrar y ayudar a quien necesite hacer una fuente para laboratorio, taller de electrónica o para usar como cargador de baterías (con voltage constante o con corriente "semi constante" si se va verificando su carga).
Los materiales usados pueden ser encontrados con facilidad en la mayoría de las casas de electrónica. De no ser así brindaré al que lo requiera una solución diferente a la que utilicé que hice con los componentes que disponía.
Inputs de diseño:
1 - Integrados de facil adquisición
2 - Gabinete sencillo de adquirir o construir
3 - Voltaje y amperaje suficiente para la mayoría de los usos de laboratorio
4 - Amperaje suficiente para la carga en menos de un día de una batería de automóvil tipo (60 A - 70 A)
5 - Voltajes fijos más utilizados en electrónica (3,3 V | 5 V | 12 V)
6 - Control regulable de Corto Circuito para todas las salidas con indicador lumínico
7 - Control de temperatura para activar un cooler y un indicador lumínico
Sin más preludio vamos a los "bifes" (como decimos en mi país)
Partes fundamentales de la fuente (cada parte puede ser o no un PCB diferente)
1) Teniendo en cuenta el segundo item de diseño decidí utilizar un gabinete de fuente ATX de los más comunes que vienen en cualquier PC de escritorio.
De este gabinete solo utilizaremos: Carcasa, Cooler, Ficha de conexión hembra (y algunos cables aunque no son fundamentales)
En la foto se ve un gabinete del comentado:
Transformador - Llave de corte - Fusible
Los requisitos para el transformador es que quepa en el gabinete que van a utilizar, en mi caso dado el input de diseño de utilizar un gabinete, busqué uno que quepa en el mismo, el más grande que podía meter con las restricciones de los inputs 3 y 4 fue un transformador de 220/15 V y 120W (8 A).
La llave de corte puede ser cualquiera que soporte la corriente del primario del transformador, inclusive algunas fuentes traen una que sirve a la perfección.
Para que quede claro: Cualquier transformador de 2 arrollamientos simple transforma Voltaje y Corriente, la potencia es la misma en ambos lados (en la teoría, en la práctica tiene algunas pérdidas).
Si tengo un transformador de 8 A a la salida del secundario para saber la corriente en el primario utilizaré la formula de potencia P = V*I
Secundario 15 V / 8 A ==> P = 15 V * 8 A = 120 W (como ya señalé más arriba)
Primario I = P / V = 120 V / 220 V = 0.55 A aprox.
Entonces cualquier llave que soporte 1 A (para tener un márgen de seguridad) funcionará.
Para tener una idea, las llaves de luz domiciliaria soportan 10 A.
Fusible, seleccionaremos uno de 0,5 A ya que queremos cuidar nuestro transformador ante un fallo de algún tipo.
Circuitos:
A) Rectificador:
El rectificador que utilicé fue el KBPC 810 (Un integrado que posee los 4 diodos en un solo encapsulado) de 8 A.
Esto está en línea con la potencia del transformador, pueden usar diodos discretos también pero el PCB que posteo no les serviá y ocupan mayor espacio por lo que no los recomendaría si usan el gabinete que utilicé.
Una ventaja extra de este rectificador es la posibilidad de acoplarle un disipador, cosa que recomiendo si la corriente supera el 60% de su capacidad. Luego veremos que la regulación de voltaje para esta fuente es óptima hasta los 5,5 A / 6 A ya que en alta potencia hay varios puntos a tener en cuenta y no por tener un transformador de 8 A, los tendremos disponibles a la salida.
La hoja de datos del rectificador: http://www.datasheetcatalog.org/datasheet/wte/KBPC801.pdf
La configuración más que sencilla es la siguiente:
La salida auxiliar en a fin de dar potencia al circuito de fuentes permanentes que alimenta los circuitos vitales de control de Sobre Corriente y Corto Circuito y Temperatura de Disipador/Gabinete.
B) Regulador de Voltaje + Transistor de paso
Existen varias soluciones para hacer un regulador de voltaje variable de mediana / alta potencia, si estuvieron navegando por internet habrán visto al menos algunas de estas opciones:
LM317 o similar
LM338 o similar
LM317 + Transistor de paso
LM341 o similar con transistor de paso
y algunas otras.
De estas, la más económica/sencilla es la de LM317 - Transistor de paso (PNP) y por ello la utilicé, las otras son buenas o no de acuerdo al criterio personal y uso.
La configuración diseñada es la siguiente:
En el conector POT-DIG irá conectada la salida de nuestro circuito de resistencia digital. Si no se desea puede reemplazarse por un potenciómetro de 5K que irá en el frente de nuestro gabinete.
La entrada para el Relay vendrá desde el circuito de Control de Sobre Corriente y Corto Circuito
Las hojas de datos de:
LM317: http://www.national.com/ds/LM/LM117.pdf
TIP146: http://www.bourns.com/pdfs/tip145.pdf
C) Fuentes Permanentes (sin protección)
Este circuito es independiente de las salidas de voltaje Regulables y Fijas por lo que no llevan protección de corto circuito.
En cambio son las que le dan energía a las placas de sensado de corriente, resistencia digital, voltímetro y amperímetro a fin de que la fuente siga operativa ante una sobre carga o corto circuito.
El circuito es el siguiente:
Las conexiones de salida podrán ser observadas en los circuitos D, E, F y G
D) Circuito de protección de Sobre Corriente y Corto Circuito (C.C.)
Este circuito traté de hacerlo lo más sencillo y entendible posible
Consta de 2 partes fundamentales:
1 - Comparadores de voltaje en resistencias de sensado
2 - Circuito de memoria para mantener la condición de Sobre Corriente o Corto Circuito
El primer bloque se cubre con un LM324, dado que tenemos 4 salidas para nuestra fuente (si se alguna salida fija no se coloca puede anularse el bloque que controla la misma borrando parte del circuito hasta el diodo de salida inclusive, claro está que no se puede quitar físicamente la parte del LM324 que la controlaba ;-) )
La corriente en la salida variable de potencia se sensa en la misma resistencia que utiliza el Circuito (H) Medidor de Corriente y se compara contra el potenciómetro que regularemos de acuerdo a la capacidad de nuestro transformador y puente rectificador menos un 20% como margen de seguridad. Es una pena no poder ocupar todo al 100% pero en la vida, sabemos, nada es gratis.
La segunda parte es un circuito muy ingenioso que en mis años de universidad utilicé con éxito sacado de un libro de electrónica de origen francés. Simplemente cuando se da la condición que el voltaje de entrada es mayor que el que se da por el divisor resistivo (100k - 100k) se da salida al OPA superior y este cargará a través de D4 y D5 el capacitor hasta aproximadamente 12V y no podrá descargarse (rápidamente) hasta que presionemos el RESET. Ingenioso no? Viva La France!
El circuito es el siguiente:
Como vemos la entrada de potencia viene desde el circuito de regulación permanente como mencionamos antes.
Las entradas para comparación de voltajes fijos vienen del Circuito de Fuentes Fijas (F)
E) Circuito de control de Temperatura
Este circuito es muy simple y muy útil a la vez
Consta de 2 partes:
1 - Circuito de Potencia
2 - Sensor (sonda)
La primera parte es un circuito sencillo en el cual se utiliza un regulador para dar el voltaje de operación al integrado de medición de temperatura TC624 de Microchip, el cual trabaja hasta los 4,5V.
Utilicé un LM7833 en encapsulado SMD pero puede usarse en cualquier encapsulado o en su defecto un LM317 con las resistencias que correspondan para tener en su salida entre 2.7V y 4.5V (según hoja de datos del TC624)
Ejemplo: Vout = 1.25*(1 + R2/R1) + Iadj*R2 (fórmula de la hoja del LM317)
Si elejimos R2 = 22k y R1 = 12k, despreciando la segunda parte de la fórmula nos queda en 3,54V si no se consigue el LM7833 claro está.
La hoja de datos del TC624: http://ww1.microchip.com/downloads/en/DeviceDoc/21440C.pdf
A esto se le suma la resistencia que pide el sensor para calibrar cuando activar su salida, en mi caso utilicé una de 120K que nos da unos 35°C.
Y por último un transistor FET de canal N (ya que el TC624 solo entrega 300 uA como máximo) para activar la salida del COOLER que comenzará a enfriar nuestra fuente
2 - La sonda es el sensor de montaje superficial soldado en una plaquetita de 2 x 1,5 cm para que se puedan soldar bien los 4 cables desde el circuito de potencia y todo bien protegido por espárrago termocontraible.
Podría usarse otro sensor como un LM35 pero dado que disponía del citado TC624 que además es más adecuado para esta aplicación la decisición era obvia.
Los circuitos son:
F) Fuentes Fijas
Utilizando los conocidos LM78xx y solamente agregando unas resistencias a la salida como se ve en el esquemático para tener una lectura representativa de la corriente que está entregando cada circuito. Estos voltajes van al Circuito de protección de Sobre Corriente y Corto Circuito (D)
El circuito es el siguiente:
Como se ve el voltaje de entrada de el conjunto viene a la salida del Relay de Protección por Sobre Corriente o Corto Circuito del esquemático del punto (B)
G) Medición de Voltaje
La medición de voltaje se hace mediante el circuito ICL7107 (puede utilizarse el 7106 cambiando el circuito según la hoja de datos y los BCD 7 Segmentos por LCD de 3 1/2 dígitos).
El circuito es el siguiente:
H) Medición de Corriente
Al igual que en la medición de voltaje del apartado anterior, la medición de corriente se hace mediante el circuito ICL7107 (puede utilizarse el 7106 cambiando el circuito según la hoja de datos y los BCD 7 Segmentos por LCD de 3 1/2 dígitos). El voltaje a medir se toma desde la resistencia colocada en el circuito LM317 y TIP146 del apartado (B) que también se utilizó para el sensado para Sobre Corriente y Corto Circuito del apartado (D)
El circuito es el siguiente:
Como se aprecia la referencia de voltaje negativa se hace de forma muy sencilla y económica brindando en las pruebas que realicé resultados muy satisfactorios.
I) Variador de voltaje Digital
Para lograr este cometido utilicé la resistencia digital de la empresa Dallas Maxim DS1869 que de forma simple (con 2 botones) logra subir y bajar la resistencia interna.
A esto hay que aplificarlo ya que dicha resistencia trabaja de 0 a 5 V y nuestra fuente va más allá de eso, de otro modo el LM317 nunca llegará al voltaje máximo. Las fórmulas y explicación más detallada están en el esquemático.
El circuito es el siguiente:
--------------------
Conclusión:
Utilizando componentes sencillos logré construir una fuente que tiene un desempeño muy aceptable, sirve para múltiples propósitos (ya la probé cargando una batería de 180 A/h y en 20 hs estuvo lista e hizo arrancar un camión pequeño). Ocupa un espacio reducido y tiene protecciones muy útiles.
Espero puedan sacarle provecho.
Esquemáticos:
Los esquemáticos que tengo no son los posteados ya que tuve que ir haciendo arreglos por lo que la persona que los desee puede solicitármelos pero mi tiempo es muy acotado. Eso si, para el que me lo solicite trataré de ayudarlo en lo que pueda (son las 7.40 am y todavía no me he acostado para dejar listo este post ;-P).
Subiré fotos que tengo de cuando iba construyéndola y del trabajo terminado apenas las baje de mi celular.
Muchas gracias por leer este post!!!
Los materiales usados pueden ser encontrados con facilidad en la mayoría de las casas de electrónica. De no ser así brindaré al que lo requiera una solución diferente a la que utilicé que hice con los componentes que disponía.
Inputs de diseño:
1 - Integrados de facil adquisición
2 - Gabinete sencillo de adquirir o construir
3 - Voltaje y amperaje suficiente para la mayoría de los usos de laboratorio
4 - Amperaje suficiente para la carga en menos de un día de una batería de automóvil tipo (60 A - 70 A)
5 - Voltajes fijos más utilizados en electrónica (3,3 V | 5 V | 12 V)
6 - Control regulable de Corto Circuito para todas las salidas con indicador lumínico
7 - Control de temperatura para activar un cooler y un indicador lumínico
Sin más preludio vamos a los "bifes" (como decimos en mi país)
Partes fundamentales de la fuente (cada parte puede ser o no un PCB diferente)
1) Teniendo en cuenta el segundo item de diseño decidí utilizar un gabinete de fuente ATX de los más comunes que vienen en cualquier PC de escritorio.
De este gabinete solo utilizaremos: Carcasa, Cooler, Ficha de conexión hembra (y algunos cables aunque no son fundamentales)
En la foto se ve un gabinete del comentado:
Transformador - Llave de corte - Fusible
Los requisitos para el transformador es que quepa en el gabinete que van a utilizar, en mi caso dado el input de diseño de utilizar un gabinete, busqué uno que quepa en el mismo, el más grande que podía meter con las restricciones de los inputs 3 y 4 fue un transformador de 220/15 V y 120W (8 A).
La llave de corte puede ser cualquiera que soporte la corriente del primario del transformador, inclusive algunas fuentes traen una que sirve a la perfección.
Para que quede claro: Cualquier transformador de 2 arrollamientos simple transforma Voltaje y Corriente, la potencia es la misma en ambos lados (en la teoría, en la práctica tiene algunas pérdidas).
Si tengo un transformador de 8 A a la salida del secundario para saber la corriente en el primario utilizaré la formula de potencia P = V*I
Secundario 15 V / 8 A ==> P = 15 V * 8 A = 120 W (como ya señalé más arriba)
Primario I = P / V = 120 V / 220 V = 0.55 A aprox.
Entonces cualquier llave que soporte 1 A (para tener un márgen de seguridad) funcionará.
Para tener una idea, las llaves de luz domiciliaria soportan 10 A.
Fusible, seleccionaremos uno de 0,5 A ya que queremos cuidar nuestro transformador ante un fallo de algún tipo.
Circuitos:
A) Rectificador:
El rectificador que utilicé fue el KBPC 810 (Un integrado que posee los 4 diodos en un solo encapsulado) de 8 A.
Esto está en línea con la potencia del transformador, pueden usar diodos discretos también pero el PCB que posteo no les serviá y ocupan mayor espacio por lo que no los recomendaría si usan el gabinete que utilicé.
Una ventaja extra de este rectificador es la posibilidad de acoplarle un disipador, cosa que recomiendo si la corriente supera el 60% de su capacidad. Luego veremos que la regulación de voltaje para esta fuente es óptima hasta los 5,5 A / 6 A ya que en alta potencia hay varios puntos a tener en cuenta y no por tener un transformador de 8 A, los tendremos disponibles a la salida.
La hoja de datos del rectificador: http://www.datasheetcatalog.org/datasheet/wte/KBPC801.pdf
La configuración más que sencilla es la siguiente:
La salida auxiliar en a fin de dar potencia al circuito de fuentes permanentes que alimenta los circuitos vitales de control de Sobre Corriente y Corto Circuito y Temperatura de Disipador/Gabinete.
B) Regulador de Voltaje + Transistor de paso
Existen varias soluciones para hacer un regulador de voltaje variable de mediana / alta potencia, si estuvieron navegando por internet habrán visto al menos algunas de estas opciones:
LM317 o similar
LM338 o similar
LM317 + Transistor de paso
LM341 o similar con transistor de paso
y algunas otras.
De estas, la más económica/sencilla es la de LM317 - Transistor de paso (PNP) y por ello la utilicé, las otras son buenas o no de acuerdo al criterio personal y uso.
La configuración diseñada es la siguiente:
En el conector POT-DIG irá conectada la salida de nuestro circuito de resistencia digital. Si no se desea puede reemplazarse por un potenciómetro de 5K que irá en el frente de nuestro gabinete.
La entrada para el Relay vendrá desde el circuito de Control de Sobre Corriente y Corto Circuito
Las hojas de datos de:
LM317: http://www.national.com/ds/LM/LM117.pdf
TIP146: http://www.bourns.com/pdfs/tip145.pdf
C) Fuentes Permanentes (sin protección)
Este circuito es independiente de las salidas de voltaje Regulables y Fijas por lo que no llevan protección de corto circuito.
En cambio son las que le dan energía a las placas de sensado de corriente, resistencia digital, voltímetro y amperímetro a fin de que la fuente siga operativa ante una sobre carga o corto circuito.
El circuito es el siguiente:
Las conexiones de salida podrán ser observadas en los circuitos D, E, F y G
D) Circuito de protección de Sobre Corriente y Corto Circuito (C.C.)
Este circuito traté de hacerlo lo más sencillo y entendible posible
Consta de 2 partes fundamentales:
1 - Comparadores de voltaje en resistencias de sensado
2 - Circuito de memoria para mantener la condición de Sobre Corriente o Corto Circuito
El primer bloque se cubre con un LM324, dado que tenemos 4 salidas para nuestra fuente (si se alguna salida fija no se coloca puede anularse el bloque que controla la misma borrando parte del circuito hasta el diodo de salida inclusive, claro está que no se puede quitar físicamente la parte del LM324 que la controlaba ;-) )
La corriente en la salida variable de potencia se sensa en la misma resistencia que utiliza el Circuito (H) Medidor de Corriente y se compara contra el potenciómetro que regularemos de acuerdo a la capacidad de nuestro transformador y puente rectificador menos un 20% como margen de seguridad. Es una pena no poder ocupar todo al 100% pero en la vida, sabemos, nada es gratis.
La segunda parte es un circuito muy ingenioso que en mis años de universidad utilicé con éxito sacado de un libro de electrónica de origen francés. Simplemente cuando se da la condición que el voltaje de entrada es mayor que el que se da por el divisor resistivo (100k - 100k) se da salida al OPA superior y este cargará a través de D4 y D5 el capacitor hasta aproximadamente 12V y no podrá descargarse (rápidamente) hasta que presionemos el RESET. Ingenioso no? Viva La France!
El circuito es el siguiente:
Como vemos la entrada de potencia viene desde el circuito de regulación permanente como mencionamos antes.
Las entradas para comparación de voltajes fijos vienen del Circuito de Fuentes Fijas (F)
E) Circuito de control de Temperatura
Este circuito es muy simple y muy útil a la vez
Consta de 2 partes:
1 - Circuito de Potencia
2 - Sensor (sonda)
La primera parte es un circuito sencillo en el cual se utiliza un regulador para dar el voltaje de operación al integrado de medición de temperatura TC624 de Microchip, el cual trabaja hasta los 4,5V.
Utilicé un LM7833 en encapsulado SMD pero puede usarse en cualquier encapsulado o en su defecto un LM317 con las resistencias que correspondan para tener en su salida entre 2.7V y 4.5V (según hoja de datos del TC624)
Ejemplo: Vout = 1.25*(1 + R2/R1) + Iadj*R2 (fórmula de la hoja del LM317)
Si elejimos R2 = 22k y R1 = 12k, despreciando la segunda parte de la fórmula nos queda en 3,54V si no se consigue el LM7833 claro está.
La hoja de datos del TC624: http://ww1.microchip.com/downloads/en/DeviceDoc/21440C.pdf
A esto se le suma la resistencia que pide el sensor para calibrar cuando activar su salida, en mi caso utilicé una de 120K que nos da unos 35°C.
Y por último un transistor FET de canal N (ya que el TC624 solo entrega 300 uA como máximo) para activar la salida del COOLER que comenzará a enfriar nuestra fuente
2 - La sonda es el sensor de montaje superficial soldado en una plaquetita de 2 x 1,5 cm para que se puedan soldar bien los 4 cables desde el circuito de potencia y todo bien protegido por espárrago termocontraible.
Podría usarse otro sensor como un LM35 pero dado que disponía del citado TC624 que además es más adecuado para esta aplicación la decisición era obvia.
Los circuitos son:
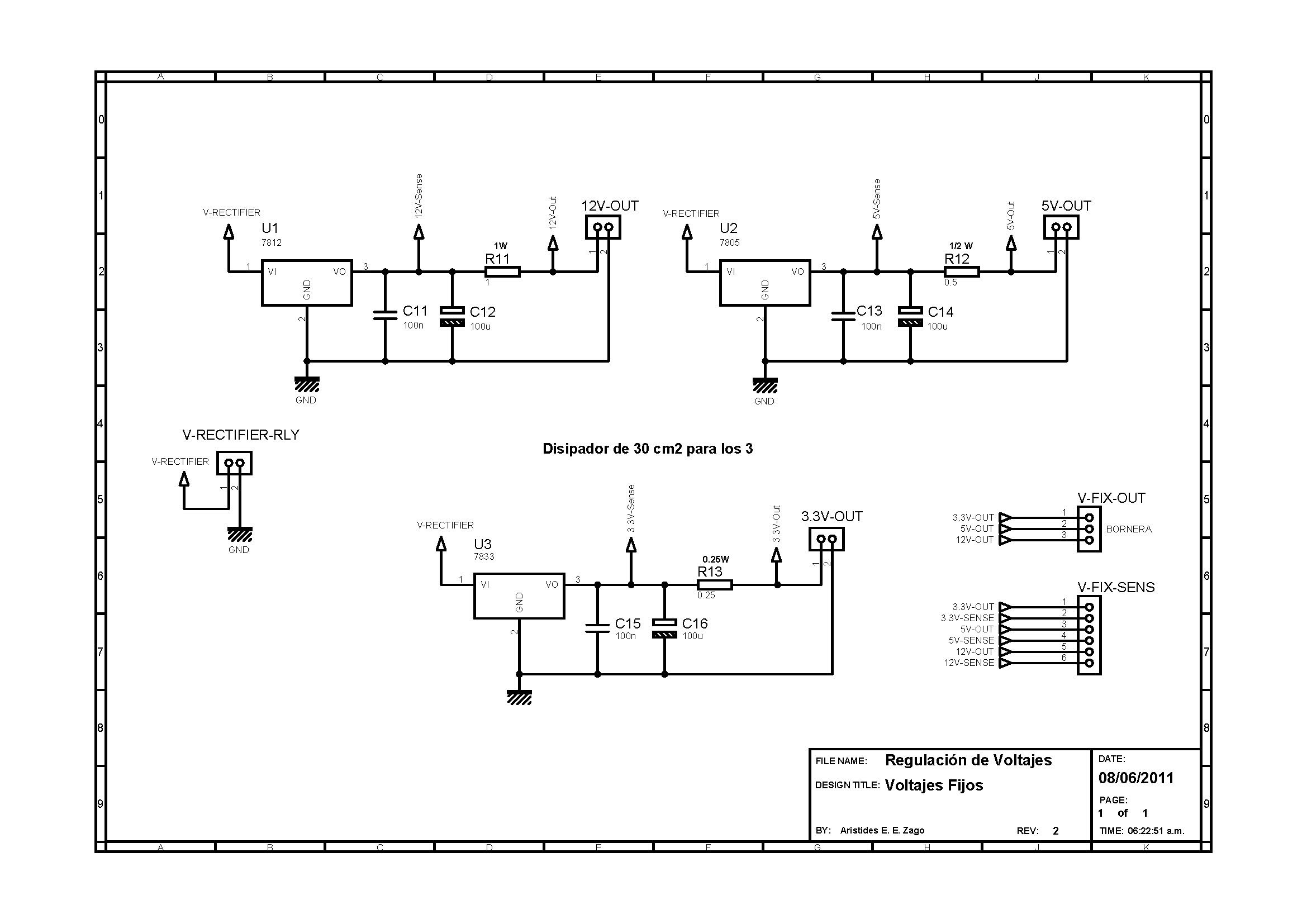
F) Fuentes Fijas
Utilizando los conocidos LM78xx y solamente agregando unas resistencias a la salida como se ve en el esquemático para tener una lectura representativa de la corriente que está entregando cada circuito. Estos voltajes van al Circuito de protección de Sobre Corriente y Corto Circuito (D)
El circuito es el siguiente:
Como se ve el voltaje de entrada de el conjunto viene a la salida del Relay de Protección por Sobre Corriente o Corto Circuito del esquemático del punto (B)
G) Medición de Voltaje
La medición de voltaje se hace mediante el circuito ICL7107 (puede utilizarse el 7106 cambiando el circuito según la hoja de datos y los BCD 7 Segmentos por LCD de 3 1/2 dígitos).
El circuito es el siguiente:
H) Medición de Corriente
Al igual que en la medición de voltaje del apartado anterior, la medición de corriente se hace mediante el circuito ICL7107 (puede utilizarse el 7106 cambiando el circuito según la hoja de datos y los BCD 7 Segmentos por LCD de 3 1/2 dígitos). El voltaje a medir se toma desde la resistencia colocada en el circuito LM317 y TIP146 del apartado (B) que también se utilizó para el sensado para Sobre Corriente y Corto Circuito del apartado (D)
El circuito es el siguiente:
Como se aprecia la referencia de voltaje negativa se hace de forma muy sencilla y económica brindando en las pruebas que realicé resultados muy satisfactorios.
I) Variador de voltaje Digital
Para lograr este cometido utilicé la resistencia digital de la empresa Dallas Maxim DS1869 que de forma simple (con 2 botones) logra subir y bajar la resistencia interna.
A esto hay que aplificarlo ya que dicha resistencia trabaja de 0 a 5 V y nuestra fuente va más allá de eso, de otro modo el LM317 nunca llegará al voltaje máximo. Las fórmulas y explicación más detallada están en el esquemático.
El circuito es el siguiente:
--------------------
Conclusión:
Utilizando componentes sencillos logré construir una fuente que tiene un desempeño muy aceptable, sirve para múltiples propósitos (ya la probé cargando una batería de 180 A/h y en 20 hs estuvo lista e hizo arrancar un camión pequeño). Ocupa un espacio reducido y tiene protecciones muy útiles.
Espero puedan sacarle provecho.
Esquemáticos:
Los esquemáticos que tengo no son los posteados ya que tuve que ir haciendo arreglos por lo que la persona que los desee puede solicitármelos pero mi tiempo es muy acotado. Eso si, para el que me lo solicite trataré de ayudarlo en lo que pueda (son las 7.40 am y todavía no me he acostado para dejar listo este post ;-P).
Subiré fotos que tengo de cuando iba construyéndola y del trabajo terminado apenas las baje de mi celular.
Muchas gracias por leer este post!!!
Última edición: