Banner publicitario de PCBWay

Inventar en Electrónica:

Tengo punzones como ese. Incluso de varios tamaños y grosores.

Pero las bridas en las motos suelen estar en lugares de dificil acceso. Ya me he clavado el punzón unas cuantas veces. Hay que ver como pincha. Lo guardo poniéndole una manguera a lo largo de la parte metálica.

El caso es que solía tirar las bridas cortadas hasta que me di cuenta de que las podía dar la vuelta a la cabeza por la parte cortada. A partir de ahí todas las bridas cortadas las guardo en una bolsita. Me han sacado de más de un apuro. Sobre todo cuando no me quedaban bridas del mismo grosor.

Por ejemplo: Sujetamos el ventilador del radiador de las motos a base de atravesar los huecos de las colmenas mediante bridas muy finas ( Del grosor de un palillo de dientes plano). A veces son difíciles de conseguir esas bridas tan finas y volvemos a reutilizar las mismas que quitamos al cambiar el ventilador.

_____________________________________________________________________________________
_____________________________________________________________________________________


y no lo has probado creo que no
o los chinos ya los venderian hechos

tengo casi todos los materiales para una version mas potente pero no e solucionado el tema de la union de la bomba de aire con la parte caliente


---------------

No suelo trabajar con componentes smd. Solo lo hago cuando no me queda más remedio y utilizando las puntas dobles.

Es más: Ni siquiera me gusta estar haciendo los circuitos impresos por los métodos tradicionales.

Utilizo una fresadora pequeña y trabajo con los circuitos complementarios (Canales aislantes en vez de pistas de cobre). Es más rápido y robusto todo; y encima no ando con los productos corrosivos.

En el truco de la bombita de pecera: Como el aire que viene de la pecera es frío :"refriguera" la unión con el tubo de 3 milímetros.

Hay que dejar un trozo de tubo de por lo menos un palmo de largo; precisamente para que no caliente ni reblandezca la manguera que viene de la bombita de pecera.

Ni siquiera es necesario que sea una manguera de silicona. Valen las mismas que se usan para las peceras. Aunque esas son para 4 milímetros.

-----------------------------------

De todas formas este invento lo hice por lo efectivo y por lo que economiza en consumo de corriente...para los plásticos termorretráctiles en las instalaciones de las motos (Porque es peligroso trabajar con llamas cerca de los tanques de la gasolina, de los carburadores, etc.).

Cuando no hay peligro de incendio: Utilizo un mechero sin llama que encima es más "portatil".
 
Última edición:
Tengo punzones como ese. Incluso de varios tamaños y grosores.
no ese punzon es muy grande de hecho todos los que e visto de fabrica son muy grandes

debe ser hecho con una aguja de coser de las normales no se si tienen numero pero miden entre 2 y 3 cm

No suelo trabajar con componentes smd. Solo lo hago cuando no me queda más remedio y utilizando las puntas dobles.
tampoco pero a veces no queda mas remedio y una soldadora de aire caliente es extremadamente cara, para hacer algo que no suelo hacer


entiendo el invento pero calculo que no tiene la potencia calorifica requerida para smd
la soldadura de ahora necesita mas tempertura
 
analogico:

Cuando vaya a ese taller voy a probar el invento del aire caliente con componentes smd y te contaré.

Si hiciera falta más potencia, utilizaríamos un soldador de 60 Vatios, de 80 Vatios, etc.

Yo tengo uno de 150 Vatios. Con una punta muy gruesa. Habría que hacerle un agujero a lo largo de esa punta para que pase el tubo de 3 milímetros. Ahora estoy en la duda de si ese soldador era de los de punta torcida (No recta) en cuyo caso no se podría perforar.

Ya te contaré.
 
Última edición:
Cambiale la punta ;) o ponele un cañito de cobre con la punta aplastada , de paso primero probalo con díodo serie para bajarle un 30 % la potencia :)
 
Saludos mis amigos tiempo sin entrar por aqui, un gusto encontrarlos y leer sus ideas que son de mucha utilidad para nosotros ratones de taller...en alguna parte lei o vi un video donde el inventor coloco dentro de una lata una resistencia de cocina y una entrada de aire de compresor y una punta de salida de aire caliente con el cual desoldar me parecio ingeniosa su creacion y facil de realizar, la lata se cubre con algun tipo de aislante termico y te queda un tremendo aparato para el taller.
 
Más eficaz que el 7812:

Para utilizar lámparas LEDs en las motos que no utilizan batería, se hace imprescindible usar un 7812 si no queremos que por un acelerón la lámpara LEDs sufra una subida de intensidad que luego la deje con una iluminación mucho más baja que la nominal.

A pesar de que las actuales motos vienen con regulador; este no mantiene el voltaje próximo a los 12 Voltios al acelerar fuerte ( El voltaje AC puede subir a 15 Voltios o más).

Más aún:

Puesto el 7812 para proteger una lámpara de 10 Vatios: El voltaje que llega a la misma se ve reducido a unos ridículos 9,8 Voltios. ( La lámpara ilumina muy poco).

Solución:

Sustituir el 7812 por un Darlington de 3 con salida por emisor. Utilizando un 2N3055 más dos BC548.

La base del primer BC548 se alimenta con un Diodo Zener de 12 Voltios + 4 diodos 1N4007 en serie con una resistencia de 1K 1/4 de Vatio.

El resultado anterior se queda ahora en 12,7 Voltios = Ideal para esa lámpara LED delantera en la moto.

Lo he utilizado y comprobado todo en una Gasgás Delta de Trial, en una Gasgás Enducross 250, en una Montesa Cota 335 y en una Ossa Enduro 250. Aunque vale para todas las motos de 12 Voltios que no utilicen batería.

Es imprescindible que el circuito anterior este conectado "fijo" a la lámpara de 10 Vatios. Que sea solidario a la misma. De manera que trabaje en carga desde el principio. La corriente que viene del interruptor debe llegar al circuito.
 
Última edición:
Más eficaz que el 7812:

A pesar de que las actuales motos vienen con regulador; este no mantiene el voltaje próximo a los 12 Voltios al acelerar fuerte ( El voltaje AC puede subir a 15 Voltios o más).
.

o ahora lei sin bateria

creo entender algo la idea
pero
el 2n es demasiado grande
y releo y tiene 2 bc548 y nose
el bc548 es demasiado pequeño
y la resistencia de 1k muy baja

anque no tengo diagrama
 
Última edición:
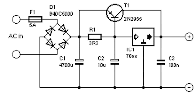
12x30_7805.gif

regulador de 12 volt 30 amper ,si le ponen menos transistores no importa, el 7805 regula mejor .
si miran la hoja de datos del 78xx les dice ,
para que regule eficazmente se necesita de ejemplo 15 volt para un regulador de 12 volt,

aqui hay otra mas simple
se agrega el transistor al regulador para que entregue mas potencia , luego se agrega diodos al terminal del medio asta llevar a los 12 volt de salida,
12x30_7905.gif


todo esto esta en la hoja de datos del regulador
***********
otro ejemplo , solo hay que colocarle el transistor y un disipador jajaja
12voltios_regulador_7805.gif




power-supply-78xx-5A.gif


http://jorgefloresvergaray.blogspot.com.ar/2009/07/aumentar-salida-de-los-reguladores-78xx.html
 
Última edición:
aqui hay otra mas simple se ag....net/l/lu9dpd/Homebrew/Fuentes/12x30_7905.gif

todo esto esta en la hoja de datos del regulador
***********
otro ejemplo , solo hay que colocarle el transistor y un


hace tiempo que tengo material para hacer una fuente regulable parecida con lm317 y 2n3055
pero no e encontrado un diagrama y no quiero equivocarme no la he hecho


si bien para la lampara led de 10W bajar los 3 V no es mucho

un regulador a transistores de 30A en una moto seria una estufa

hace tiempo encontre este aunque si es solo para la lampara de 10w es mejor regulador de transistores de mas arriba


esquema2.jpg

ese mosfet soporta mas A pero el diseñador lo probo con 3
http://heli.xbot.es/wp-content/Antiguo/regulador/regulador2.htm

l
 
Las esferitas luminosas de colores que se mueven en el inicio del Windows 7 son muy bonitas. Pero no pintan nada y encima consumen 8 segundos más en el arranque.

-- Pulsar en Inicio.

-- Teclear msconfig.

-- Pulsar en Arranque.

-- Marcar en Sin arranque de GUI.

Ya está:

En el próximo arranque ya no saldrán las bolitas y si comprobamos el tiempo de arranque veremos que tarda 8 segundos menos.

__________________________________________________________________________________________________________________________________________________________________________





o ahora lei sin bateria

creo entender algo la idea
pero
el 2n es demasiado grande
y releo y tiene 2 bc548 y nose
el bc548 es demasiado pequeño
y la resistencia de 1k muy baja

anque no tengo diagrama

----------------------------------------------------------------------------------------

Hola analógico:

El circuito funciona. Es un invento mío. No te puedo pasar esquemas copiados y sacados de Internet. Los Amperios en juego son: 10Vatios / 12 Voltios = 0,83 Amperios.

El 2N3055 con un radiador de aluminio apenas se pone tibio. Como va detrás del faro. Encima de la horquilla... todo se refrigera más al caminar con la moto.

Como estoy sin escaner te pondré algunos datos más:

-- Unes los tres colectores de los tres transistores y los conectas al positivo de la alimentación.

-- El emisor del primer BC548 lo unes a la base del segundo BC548.

-- El emisor del segundo BC548 lo unes a la base del TIP 3055.

-- El emisor del TIP 3055 es la Salida. La que conectarás al positivo de la lámpara LED de 12 Voltios y 10 Vatios. (El negativo de la lámpara: A masa. Es lo bueno de este montaje. No necesitamos masa flotante aislada para esto. El resto del circuito eléctrico de la moto sigue igual).

-- La base del primer BC548 la conectas al positivo de la alimentación de la moto. Obtenido con un Diodo Schottky de 3 Amperios y un condensador de 2000 Microfaradios y 25 Voltios ( Yo usé uno de 16 Voltios y no he tenido ningún problema) Para pasar la alterna de la moto a continua. Debe ser Schottky por dos cosas: Por su menor resistencia directa y porque al acelerar la moto y pasar de 3000 revoluciones/min... la frecuencia se pasa de los 50 Hz.

-- Esa misma base del primer BC548 la conectas a 4 diodos 1N4007 en serie. Seguidos del Zener de 12 Voltios 1,3 Vatios. ( Como sabes: Los zeners trabajan "al revés" que los diodos normales).

Dicho de otra manera: "Todos los diodos 1N4007 apuntan hacia abajo. Seguidos del Zener que apunta hacia arriba"...desde la base del BC548 hacia el negativo de la alimentación = La masa de la moto.

Es fácil de hacer todo. Ni hace falta circuito impreso. Es un "montaje al aire". Se hace sobre la marcha, se prueba y funciona.
---------------------------------------------------------

el 2n es demasiado grande...

...Eso es lo bueno en este caso. El montaje es robusto y aguanta carretas y carretones. Ideal para las motos.

-----------------------------------------------------------

el bc548 es demasiado pequeño...

Puedes usar en sustitución del segundo BC 548 un BD de mediana potencia. Pero es totalmente innecesario en este caso.

----------------------------------------------------------------

y la resistencia de 1k muy baja...


La resistencia de 1 K no es muy baja:

Supuestos 20 Voltios CC con la moto a tope de revoluciones: (Recuerda que el Regulador de la moto no deja pasar la alterna por encima de 13 ó 14 Voltios).

I = V/R = 20/1000 = 20 miliamperios.

W = 0,02 X 20 = 0,4 Vatios.

Puedes poner una resistencia de medio vatio. Yo he utilizado una de 1/4 de Vatio sin problemas porque no encerré el montaje en una caja. Todo está "agarrado del radiador" y este está justo entre la base del manillar y la horquilla.

-------------------------------------------

El diodo LED blanco de 10 Vatios se enciende al máximo con la moto al ralentí. Y por más que la aceleres...ni se inmuta. Precioso ver eso. Recompensa. Vale la pena. Se ve como si la moto tuviese una batería.

Por cierto...: Como alumbra eso. Yo he utilizado una lámpara LED de luz cálida (Radium) porque no daña la vista. La blanca no hay quien la mire de lo que encandila.

Más aún:

En la Gasgás Delta utilicé dos lámparas LEDs: Una de 10 Vatios dirigida hacia adelante ( = Luz Larga) y
una segunda lámpara LED de 6 Vatios dirigida hacia abajo ( = Luz Corta). El conmutador enciende solo una de las dos cada vez. En el faro trasero utilicé una lámpara LED de dos polos ( = Posición y Freno).

Consumo Total: Una miseria ( Comparado con solo los 35 Vatios que consumía cada polo de la lámpara del faro delantero y los 5 Vatios de la luz de posición y los 21 Vatios de la luz del freno).
 
Última edición:
----------------------------------------------------------------------------------------

Hola analógico:

El circuito funciona. Es un invento mío. No te puedo pasar esquemas copiados y sacados de Internet. Los Amperios en juego son: 10Vatios / 12 Voltios = 0,83 Amperios.
si me imagino


El 2N3055 con un radiador de aluminio apenas se pone tibio. Como va detrás del faro. Encima de la horquilla... todo se refrigera más al caminar con la moto.

un TO-3 es demasiado grande con un TO-220 es mas facil de ocultar y se puede usar el metal de la moto como disipador
'--------------------------------


estaba pensando en ahorrar


y se me ocurrio la idea de encender 2 lamparas con media onda
asi mientras una se apaga la otra se enciende, y bien juntas
y para disminuir aun mas el parpadeo unos condensadores a cada lado

al final serian 2 lamparas con la energia de 1

una idea loca como cuando construi mi maquina de movimiento perpetuo que no funciono:cry:
 
si me imagino




un TO-3 es demasiado grande con un TO-220 es mas facil de ocultar y se puede usar el metal de la moto como disipador
'--------------------------------


estaba pensando en ahorrar


y se me ocurrio la idea de encender 2 lamparas con media onda
asi mientras una se apaga la otra se enciende, y bien juntas
y para disminuir aun mas el parpadeo unos condensadores a cada lado

al final serian 2 lamparas con la energia de 1

una idea loca como cuando construi mi maquina de movimiento perpetuo que no funciono:cry:

----------------------------------------

No es una idea loca.

Podrías dejar la Luz Corta fija y al pulsar la Luz Larga se encenderían alternativamente las dos.

Es muy buena idea porque con la persistencia retiniana de la imagen no notaríamos diferencia.

La notarían los que viesen pasar la moto. Sobre todo si va rápida.

Muchos inventos muy eficaces lo han sido con ideas "locas" ( Por ejemplo: Los árabes con el aguarrás).

------------------------

Y no tiene nada que ver con el movimiento continuo sin aporte de energía externa y que todos sabemos que no es factible.

__________________________________________________________________________________

El radiador lo cogí con dos bridas en el centro del manillar. Puedo pasar todo el kiosko de una moto a otra.

La Gasgás Enducross vibra como una endemoniada a 8000 revoluciones por minuto. El radiador con las dos bridas está literalmente colgando del centro del manillar con los plásticos. Ni se entera.

En todo eso me gasté menos de 5 euros ( Exceptuando las lámparas LEDs) y son solo una docena de componentes. Se hace todo en 5 minutos. Se instala sobre la marcha y a disfrutar.
 
Última edición:
No, nada, solo te cuento que antes que destilaran el petroleo ya existia un aguarrás.

Se consigue la Trementina , ya que la usan los pintores (de cuadros)
 
Atrás
Arriba