Tal vez formule mal mi pregunta, esta fue a dar a algun lugar muy extraño aqui va con mayor detalle.
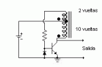
Supongo que este circuito es un oscilador de lo que llaman "oscilador de bloqueo", el primario del transformador (digamos el que va al colector) induce en el secundario (el de la base) un voltaje que polariza inversamente la base haciendo que este se corte. mi duda es como se calcula la frecuencia, como se calcula la r de base, como se elije el transistor, como saber la coriente de colector. alguien tiene documentos, pdfs, paginas web para estos osciladores. El de la imagen tiene el mismo principio de funcionamiento?
Supongo que este circuito es un oscilador de lo que llaman "oscilador de bloqueo", el primario del transformador (digamos el que va al colector) induce en el secundario (el de la base) un voltaje que polariza inversamente la base haciendo que este se corte. mi duda es como se calcula la frecuencia, como se calcula la r de base, como se elije el transistor, como saber la coriente de colector. alguien tiene documentos, pdfs, paginas web para estos osciladores. El de la imagen tiene el mismo principio de funcionamiento?



