Banner publicitario de PCBWay

¿Tester - Multímetro averiado, roto, descompuesto?

Hola pandacba. Las baterías están nuevas ya que las compre para poner en un control remoto hace unos días, la saque del envoltorio, pero no las use, así que por las dudas con un tester que tengo para probar pilas y baterías, las probe a las tres que tengo y todas están en perfecto estado (tanto en su parte externa así como también tienen carga). Leí en otro foro que un usuario tuvo el mismo problema y resulto que se había descalibrado el tester, igualmente otros usuarios le comentaron que era algo muy raro de que eso pasara, trate de publicar el link a ese foro, pero no pude ya que soy un usuario muy nuevo y no me dejan. ¿Hay alguna otra cosa qué pueda hacer?
 
Hay os dejo fotos del problema para ver asi si me podeis ayudar y decidme de que componente se trata.
Gracias y un saludo. ...



Os dejo fotos para que veais de forma mas clara mi problema y asi os sea mas facil el poderme ayudar.
Gracias y saludos
 

Adjuntos

  • IMG_20160606_145012.jpg
    IMG_20160606_145012.jpg
    52 KB · Visitas: 45
  • IMG_20160606_144752.jpg
    IMG_20160606_144752.jpg
    42.2 KB · Visitas: 46
  • IMG_20160606_144806.jpg
    IMG_20160606_144806.jpg
    42 KB · Visitas: 48
  • IMG_20160606_144814.jpg
    IMG_20160606_144814.jpg
    88.8 KB · Visitas: 50
  • IMG_20160606_144736.jpg
    IMG_20160606_144736.jpg
    46.5 KB · Visitas: 48
Última edición:
Buenas tardes... alguien podría echarme una mano , tengo un multimetro ,mi pregunta seria si es posible que se malogren solo algunos rangos , por ejemplo como sucede con el mio, al medir corriente en la escala de: 200mA , me marca 10mA y al medirlo en la escala de 20mA me marca 13.5mA , probe con otro multimetro de la misma marca y mismo modelo y en las dos escalas marcan lo mismo. con eso puedo decir que mi multimetro esta mal la escala de 20mA , es posible eso? solo se puede malograr algunas escalas , a alguno de ustedes les a sucedido algo parecido? o es frecuente eso?
 

Adjuntos

  • multimetro.jpg
    multimetro.jpg
    107.5 KB · Visitas: 22
Buenas tardes... alguien podría echarme una mano , tengo un multimetro ,mi pregunta seria si es posible que se malogren solo algunos rangos , por ejemplo como sucede con el mio, al medir corriente en la escala de: 200mA , me marca 10mA y al medirlo en la escala de 20mA me marca 13.5mA , probe con otro multimetro de la misma marca y mismo modelo y en las dos escalas marcan lo mismo. con eso puedo decir que mi multimetro esta mal la escala de 20mA , es posible eso? solo se puede malograr algunas escalas , a alguno de ustedes les a sucedido algo parecido? o es frecuente eso?

si, limpiando los contactos de la rueda con lija superfina sin pasarse aveces se arrega si es que la falla es la rueda
 
Hola.

La menor escala es la más precisa.
Debes tener presente la precisión de los instrumentos, (+/-) cuantos dígitos tienes en cada escala.

Chao.
elaficionado.
 
Que tal!, pues se quemó un fusible y la resistencia de mi multímetro, es un radox 535-330, la resistencia que se quemo es la R15, Ya intente buscar diagramas en internet pero no encuentro, si alguien tiene uno igual y lo puede abrir para decirme de cuantos ohms es la resistencia, porque se achicharro y no se ven los numeros ¡gracias!
 

Adjuntos

  • 20160707_154307.jpg
    20160707_154307.jpg
    116.9 KB · Visitas: 71
Debe de ser caro y costoso tener que hacer una foto al tester, revelar el carrete, escanear la foto en papel, y subirla al foro. ¡Ojala llegue pronto la era digital a las cámaras de fotos, de forma que sea rápido y fácil hacer varias fotos al tester desde varias perspectivas y subirlas!

Bueno, pues he buscado en google el tester y veo esto:
535330.jpg


Es este tu tester, ¿cierto?

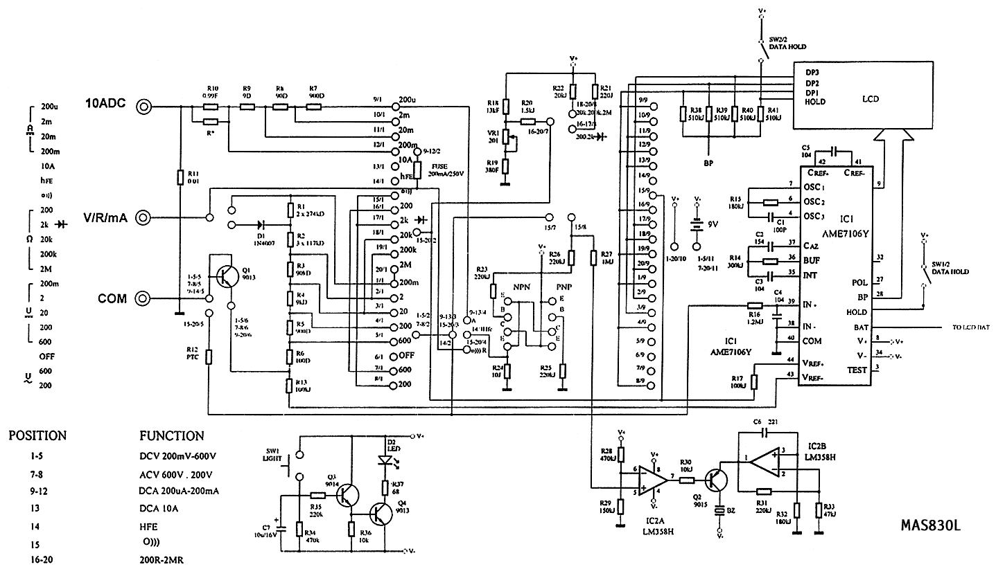
Bueno, pues tengo buenas y malas noticias. Las buenas son que tu tester es un clon del conocido como "El 830". Dependiendo del fabricante y si tiene o no más funciones, como por ejemplo la retroiluminación (serie L) , tiene una u otra referencia, por ejemplo M830, M830B, M830L, A830L, XL830L, DT830L, ZR830L..., De hecho en la PCB de tu tester se ve que han usado la placa del MAS830B (curioso porque por lo que parece el tuyo tiene retroiluminación y correspondería a la placa del MAS830L), lo que me da que pensar que es un MAS830 renombrado a radox 535-330 o directamente lo han copiado y ni se han molestado en cambiar la referencia.
56_1369453796767_l.jpg

DSC00064.JPG

Xl830l-Multimetro-Polimetro-Digital-Metro-Tester-a-d-LCD.jpg

HYELEC-MAS830L-Universal-Diagnostic-Tool-Digital-Multimeter-AC-DC-Voltage-DC-Current-Resistance-Multitester.jpg


Las malas noticias son que aunque el esquema es el mismo o casi el mismo en todos los casos, la PCB suele ser distinta y los componentes se llaman diferente, así que la R15 del esquema del MAS830L no es la misma que la R15 del M830L. De hecho la PCB que tienes ni siquiera corresponde R15 con la del esquema del MAS830L (que es idéntico al MAS830B con el añadido de los componentes de la retroiluminación). Así pues, para ver el valor de R15 toca saber hacia donde va conectada e identificar en el esquema la resistencia correcta.

mas830l.gif

mas830b.gif


Edit: Me doy cuenta que el tuyo no tiene buzzer de continuidad, así que es más parecido a la versión B que a la L.
 
Última edición:
Gracias!, esos diagramas ya los habia encontrado pero como no habia similitud (aparentemente) entre ellos y los componentes de mi multimetro los ignore. Pero viendolos bien me doy cuenta que el R15 de mi multimetro es el R9 del diagrama del 330B; corrígeme si me equivoco con la foto.
 

Adjuntos

  • 20160708_131539.jpg
    20160708_131539.jpg
    87.3 KB · Visitas: 53
Última edición por un moderador:
Pues si, yo pondría la mano en el fuego de que es la de 9ohm. Eso si, igual te cuesta encontrarla. Puedes poner dos combinaciones, una de 6.8ohm en serie con 2.2ohm (6.8+2.2=9), o bien 2 resistencias de 18ohm en paralelo (18/2=9), todas las resistencias al 1% o menos (en el esquema es 0.5%). Yo elegiría la segunda opción por la facilidad de soldar una resistencia encima de la otra.
 
Última edición:
Acabo de recibir una pinza amperométrica que compré vía internet.
Es de las más baratas, lo sé. Mandarla de vuelta en queja o reclamo de garantía es más caro
que la pinza misma. El caso es que la necesitaba con urgencia para chequear una soldadora que estoy convirtiendo a DC
Cuál es la falla: no anda, no es que no mide A, no mide nada, ni continuidad, ni suena el buzzer.
En alguna posición de la llave, aparece un punto en el display que va desapareciendo de modo aleatorio, a veces
en alguna otra posición de la llave aparecen unos dígitos, sin sentido lógico alguno.
Es una Noganet DT266 Al no tener posibilidad de reclamo, me decidí a abrirla. Adjunto fotos.
Posibilidades de orígen del fallo
a) nunca funcionó.
b) la golpearon en el viaje
c) cuando puse la batería, por error la instale al revés.
Sólo me interesa la función pinza amperométrica.
Me aseguré que el botón Data Hold no esté presionado.
Saludos cordiales


Buenas noches!

Amigo como te fue con el tester? pudiste repararlo?
 
Amigos quería comentarles una falla muy rara del multimetro de un conocido:


Tiene un multimetro Radio Shack 22-812. Foto referencial:

radioshack-pc-22-812-46-range-digital-multimeter-img.jpg



Bueno el citado aparato solo mide bien cuando lo abre y toca la tarjeta interna con el dedo!! cuando no la toca NO FUNCIONA !! :eek: cuando selecciona la función de continuidad de inmediato suena el pitido y se queda así.


Eso fue lo que le entendí de la falla... a primera vista que podría ser? tendrá arreglo? o ya le salio reemplazo al multimetro?
 
Última edición:
No entiendo como es posible una consulta como esta sin, al menos, unas fotos internas para que podamos ver las soldaduras y componentes en el pcb.
Mejor busquemos una bola de cristal...
 
No entiendo como es posible una consulta como esta sin, al menos, unas fotos internas para que podamos ver las soldaduras y componentes en el pcb.
Mejor busquemos una bola de cristal...


Por favor disculpen si no anexe fotos. Lo que pasa es que mi amigo esta en otra ciudad y no me ha enviado las fotos que le pedi. Apenas me las envie las subo al foro.

Decidi consultar esa falla porque me pareció demasiado rara !! :eek:
 
hola buenas tarde foreros veran he estado haciendo un inversor de corriente casero con un transformador de radio ,este cuando le añadia carga no pasaba de los 240v en alterna lo cual el multimetro no sufrio ningun daño, cuando desconecte la carga el voltaje se fue muy por encima de los 750v en alterna y casi arruino mi multimetro me gustaria saber como puedo solucionar el tema de los numeros residuales que queda siempre cada vez que lo prendo por suerte las mediciones lo sigue realizando bien.
 

Adjuntos

  • 20160706_003740.jpg
    20160706_003740.jpg
    84.9 KB · Visitas: 29
  • 20160918_173650.jpg
    20160918_173650.jpg
    174 KB · Visitas: 29
Atrás
Arriba