Banner publicitario de PCBWay

Algunas pautas de diseño de fuentes de alimentación para Audio

Gracias fogonazo por tu ayuda, me deja un poco más tranquilo tus respuestas ahora entiendo no es necesario filtrar la CC para galvanoplastia he aquí unos resultados de cobrisado con un circuito de control de potencia con tiristores en el primario del transformador.

Saludos y bendiciones.
 

Adjuntos

  • 20201102_141955.jpg
    20201102_141955.jpg
    439.4 KB · Visitas: 34
  • 20201103_180406.jpg
    20201103_180406.jpg
    199.9 KB · Visitas: 33
Gracias fogonazo por tu ayuda, me deja un poco más tranquilo tus respuestas ahora entiendo no es necesario filtrar la CC para galvanoplastia he aquí unos resultados de cobrisado con un circuito de control de potencia con tiristores en el primario del transformador.

Saludos y bendiciones.
Creo haber leído que incluso es deseable que la corriente sea "Pulsante" para evitar la formación de algo ¿¿?? sobre las placas
 
Algunas pautas de diseño de fuentes de alimentación para Audio

Este apunte es un intento por explicar como se calcula y lleva a la práctica una fuente de alimentación para un equipo de audio “Decente”

Como datos debemos conocer que y cuanto consume nuestra “Cosa amplificadora”, esos datos las sacarán de los datos del esquema propuesto.
Que seria el voltaje necesario y que corriente en Amperes consume a máxima potencia.

Un cálculo estimativo de la potencia necesaria seria por ejemplo: para una etapa tipo “AB” que posee un rendimiento de un 60%.
60% lo entrega a la salida y el 40% restante va a calentar la atmósfera.

Así que si queremos armar una etapa de 100 W estéreo (200 W de salida) necesitamos una fuente capaz de entregar 200 W + (200 * 0.4) = 280 W, este es un calculo “Realista” ya que en realidad la etapa posee un rendimiento inferior al propuesto, pero se compensa con que el programa musical nunca tomara de la fuente la totalidad de la potencia teórica de las etapas, aunque la etapa este trabajando a máximo no llegara a entregar los 100 W en forma continua por las propias variaciones de la música, incluso reproduciendo “Trash Metal”.

Hasta ahora sabemos que vamos a necesitar un transformador de unos 280W (Mínimo), pero si ponemos de más no importa, sin exagerar por supuesto.

En este momento necesitamos conocer el voltaje de alimentación de las etapas para completar el cálculo del transformador necesario.

El transformador se calcula (Suponiendo una fuente partida) con la formula:

Va = (Vc / 1,4142) + 1,4V

Donde
Va
: Voltaje de alterna a la salida del transformador
Vc : Voltaje deseado de continua
1,4142 : Redondeo de √2
1,4 V : Caída de tensión sobre el rectificador principal

Suponiendo que necesitemos una fuente de +- 45V (90V)
Las cuentas deberían dar algo así

Va = (90 / 1,4142) + 1,4 = 63,64 + 1,4 = 65 VCA

Como la fuente es partida, esta tensión deberá poseer una derivación en su punto medio, lo que nos dará un transformador de 32,5 - 0 - 32,5 Vca.

¿Y de cuantos amperes? Hacia allá vamos.

Dijimos que necesitamos una potencia de 280W y acabamos de calcular la tensión 65V.

Aplicando el principio de Arquímedes que decía que

W = V * I

Donde:
W = Potencia
V = Tensión
I = Intensidad

W = V * I o lo que es lo mismo I = W / V nos da que necesitamos

I = 280 W / 65 V = 4,3 A

Hasta aquí tenemos el transformador, que sería de 65Vca con punto medio y una capacidad de corriente de 4,3A, pero para la fuente falta bastante.

Para el cálculo de los diodos (o puente rectificador) la primera idea seria un puente de 5 A (Mala idea)

Comentario descolgado:
¡ Pero! si mis placas consumen 4,3 A y yo le coloco un puente de 5 A, me sobran 0,7 A

Eso es lo que consumen tus placas, pero entre las placas y el rectificador van unos cositos negros (condensadores), que son los que alisan lo que entrega el rectificador estos hay que mantenerlos permanentemente en carga, sino la etapa de potencia se apaga y nos quedamos sin música.
Como esos cositos negros se cargan al mismo tiempo que por el otro lado se están descargando hacia las placas, consumen una corriente instantánea muy superior a la nominal de salida durante el pico de los semiciclos del transformador.

Aquí estoy mareado.

En un momento, el rectificador provee la corriente de funcionamiento de las placas y la corriente necesaria para reponer la carga del condensador perdida durante el tiempo en que la tensión de la onda es inferior a la tensión acumulada en el condensador.

Lo cual es mucho mayor que la corriente nominal.
Si no fuera alérgico a las formulas pondría el calculo de la corriente instantánea, pero digamos que se puede considerar como el 3 veces la corriente nominal, resumiendo necesitamos un rectificador de unos 12 A o mejor 15 A

Esta es la forma de onda que “Va” a los condensadores, como se ve presenta picos y valles, durante el segmento de “Crecimiento”, el rectificador esta soportando la re-carga del condensador además del propio consumo de las etapas amplificadoras

Ver el archivo adjunto 27024

Y esta es la tensión sobre los condensadores, la rampa de descenso se produce durante la parte en que la tensión del transformador pasa por un valle

Ver el archivo adjunto 27026

La altura de estas crestas y rampas son las que dan en definitiva la tensión de rizado

Y ahora tenemos un transformador de 280 W y 65 Vca con toma central y un rectificador de 12 A, lo cual todavía no sirve para nada porque a la salida del transformador-rectificador tenemos una onda con forma de ½ seno y una frecuencia de 100 o 120 Hz. (Depende del país).

Necesitamos “Filtrar” esta onda para que se asemeje lo mas posible a una tensión continua con la que alimentar nuestras placas de potencia.

Como ya se estarán imaginando, hay que hacer mas cálculos.

Para calcular el condensador de filtro se usa la formula siguiente:

C = I / ( 2 * F * Vr )

Donde:
C:
Es la capacidad necesaria en Faradios
I: es la intensidad que consume la carga en Amper.
F: es la frecuencia de alimentación en Hertz
2 es un factor de corrección para la frecuencia de alimentación, la señal rectificada en Herts, en un rectificador de onda completa será 2 veces la frecuencia de línea (Por eso escribí 100 o 120 Hz).
Vr: es el voltaje de rizado admisible a la salida del filtrado.

Esta es una formula práctica, la formula real para el calculo fino de capacidad necesaria es “Insufrible”

Para nuestro caso:

Debemos calcular el consumo de corriente de cada rama, para lo cual podemos estimar que cada rama va a proveer la mitad de la potencia total, es decir 140W c/u (280W/2), sobre la tensión de esa rama (45V), es decir 140W / 45Vcc ≈ 3,12 A, con este valor ahora calcularemos la capacidad necesaria de filtrado.

Un valor de rizado muy bueno será del 3% a 5%.
Uno bueno puede llegar al 7%.
Uno regular puede llegar al 10%

En esta aplicación, vamos a tomar un valor del 4% que estaría dentro de “Muy bueno”

Aplicando la formula anterior C = I / ( 2 * F * Vr )

Donde:
Vr
(Rizado admisible) = 4% de la tensión de la rama de la fuente = 45 V * (4 / 100)

I = 3,12 A
F = 50 HZ
(F = 60 Hz para el resto del mundo)
Vr = 45 V * (4 / 100 %) = 1,8 V
C = 3,12 A / (2 * 50 HZ * 1,8 V )
C = I / ( 2 * F * Vr )
Aplicando los valores
C = 3,12A / (2 * 50 * 1,8V)
C =
0,01733 Faradios = 17300 uF

Posibilidad de agrupar capacitores para lograr el total necesario con valores comerciales:
2 * 10000 uF = 20000 uF
4 * 4700 uF = 18800 uF
8 * 2200 uF= 17600 uF

¿Y qué opción me conviene más de las 3 posibilidades?

En realidad lo más conveniente sería colocar 8 condensadores de 2200 uF

¿Y por que?, si da menos que el calculo, ¿Y pa´que tanto capacitore? Si con 2 de 10000 uF tengo de sobra.

Porque el circuito de un condensador “Real” es una serie formada por 3 elementos, una resistencia de muy bajo valor, una bobina también de muy bajo valor y el condensador en si (R + L + C)

El total de capacidad de un conjunto de condensadores conectados en paralelo es igual a la suma de las capacidades individuales.
Pero los componentes inductivos y resistivos no se suman de esta forma, se aplica la formulita del paralelo para estos.

Para la impedancia:
1 / L = 1/ L1 + 1 / L2 . . . . . .

Para la resistencia:
1 / R = 1 / R1 + 1/ R2 . . . . . .

Si le diéramos valores numéricos a estas 2 últimas formulas veríamos que tanto la resistencia como la inductancia disminuyen al colocarlos en paralelo.

Como bien calculo Confucio, (inventor del electrón), si coloco condensadores en paralelo (como filtros) a igual capacidad con mayor cantidad, mejor rendimiento.

Existe otra formula práctica para estimar el valor de los condensador y es la de colocar 2200uF por cada Amper de consumo, para este caso: C = 3,12 A * 2200 uF ≈ 6600 uF.

Valor que haciendo el cálculo inverso nos daría un rizado del 5% aproximadamente
Esto funciona aceptablemente para aproximaciones gruesas.

Si se piensan que ya terminamos con la fuente van por mal camino, se están dejando tentar por “El lado oscuro”
Sin ánimo de opacar tamaña muestra de conocimientos en todos sus artículos, y que sigo con devoción, noto un error en el cálculo de la pot de fuente necesaria del amplificador. Pues, la pot útil en parlantes es el 60% de la entregada por la fuente, y la potencia disipada , la que "va a la atmósfera", esa es el 40 % de la potencia entregada por la fuente, no de la potencia útil. Por lo cual si Pu = 0,6Pfuente, despejando, Pfuente = Pu/0,6 = 200 W/ 0,6 = 334 W. O sea, Pfuente = Pu + Pd = Pfuente x 0,6 + Pfuente x 0,4 . Otra forma de verlo: Pu = 0,6 Pf y Pd = 0,4 Pf, dividiendo miembro a miembro, se simplifica Pf y queda la relación: Pu/Pd = 0,6 / 0,4.
 
De todas maneras no sería lo mismo calcular para señal provista por generador de audio que para música real que tiene picos y llanos y su promedio es . . .
 
Sin ánimo de opacar tamaña muestra de conocimientos en todos sus artículos, y que sigo con devoción, noto un error en el cálculo de la pot de fuente necesaria del amplificador. Pues, la pot útil en parlantes es el 60% de la entregada por la fuente, y la potencia disipada , la que "va a la atmósfera", esa es el 40 % de la potencia entregada por la fuente, no de la potencia útil. Por lo cual si Pu = 0,6Pfuente, despejando, Pfuente = Pu/0,6 = 200 W/ 0,6 = 334 W. O sea, Pfuente = Pu + Pd = Pfuente x 0,6 + Pfuente x 0,4 . Otra forma de verlo: Pu = 0,6 Pf y Pd = 0,4 Pf, dividiendo miembro a miembro, se simplifica Pf y queda la relación: Pu/Pd = 0,6 / 0,4.
Eso ya fue aclarado en el tema
 
Hola a todos. Les escribo para hacer una consulta sobre los fusibles que se utilizan al armar una fuente y de la cual no pude encontrar respuesta. Se que es mandatario poner un fusible a la entrada del transformador, sin embargo no me queda claro si es conveniente poner fusibles a la salida de los capacitores (antes del equipo que irá conectado a la fuente). Encontré opiniones de que podría ser dañino para lo que sea que esté conectado si sólo uno de los fusibles se quema, dejando solo la rama positiva o negativa. Si es así, ¿Cual es la forma correcta de poner los fusibles?. Muchas gracias.
 
Estimado Dr. no entiendo del todo su pregunta y creo que es porque yo tampoco hice la pregunta correcta. Mi idea es armar una fuente para un pequeño amplificador que utilizará dos LM1875, mi duda es ¿Corresponde poner fusibles luego de los capacitores de cada rama?
 
El asunto es que hay que analizar el comportamiento de cada chip con cada combinación de alimentacion y de si tenes protectores de parlantes o nó.
Por lo general, no hay que poner fusibles en las salidas de alimentación a menos que tengas protectores, por que en ese caso ellos se ocupan de las fallas de los chips.
 
Calculé la fuente pero no consigo los capacitores adecuados en tensión

Agregado el 05/10/2014

Nuevo dilema.

Una solución no muy ortodoxa ni de las mejores es "Armar" capacitores en serie hasta llegar a la tensión requerida.
Para armar esto, se debe agregar un divisor resistivo que equilibre las tensiones sobre los capacitores, de manera que sobre cada uno de la serie "Caiga" la misma tensión.

Algo así:


Las resistencias NO deben ser:
De un valor demasiado bajo como para que consuman de nuestra fuente demasiada corriente.
De un valor demasiado alto como para que el divisor resistivo sea afectado por la constantes de carga de los capacitores y/o sus resistencias internas.
La potencia de las misma: La calculan ;)


Por que digo que no es de las mejores soluciones, en puntos anteriores vimos que los capacitores poseen componentes parásitos resistivos e inductivos, al estar conectados en serie, los valores de estos se suman, degradando el funcionamiento del conjunto.


Edit:

Si tu amplificador (O lo que sea) hace ruido al ser apagado sería bueno que leas esto

Algunas pautas de diseño de fuentes de alimentación para Audio

Este apunte es un intento por explicar como se calcula y lleva a la práctica una fuente de alimentación para un equipo de audio “Decente”

Como datos debemos conocer que y cuanto consume nuestra “Cosa amplificadora”, esos datos las sacarán de los datos del esquema propuesto.
Que seria el voltaje necesario y que corriente en Amperes consume a máxima potencia.

Un cálculo estimativo de la potencia necesaria seria por ejemplo: para una etapa tipo “AB” que posee un rendimiento de un 60%.
60% lo entrega a la salida y el 40% restante va a calentar la atmósfera.

Así que si queremos armar una etapa de 100 W estéreo (200 W de salida) necesitamos una fuente capaz de entregar 200 W + (200 * 0.4) = 280 W, este es un calculo “Realista” ya que en realidad la etapa posee un rendimiento inferior al propuesto, pero se compensa con que el programa musical nunca tomara de la fuente la totalidad de la potencia teórica de las etapas, aunque la etapa este trabajando a máximo no llegara a entregar los 100 W en forma continua por las propias variaciones de la música, incluso reproduciendo “Trash Metal”.

Hasta ahora sabemos que vamos a necesitar un transformador de unos 280W (Mínimo), pero si ponemos de más no importa, sin exagerar por supuesto.

En este momento necesitamos conocer el voltaje de alimentación de las etapas para completar el cálculo del transformador necesario.

El transformador se calcula (Suponiendo una fuente partida) con la formula:

Va = (Vc / 1,4142) + 1,4V

Donde
Va
: Voltaje de alterna a la salida del transformador
Vc : Voltaje deseado de continua
1,4142 : Redondeo de √2
1,4 V : Caída de tensión sobre el rectificador principal

Suponiendo que necesitemos una fuente de +- 45V (90V)
Las cuentas deberían dar algo así

Va = (90 / 1,4142) + 1,4 = 63,64 + 1,4 = 65 VCA

Como la fuente es partida, esta tensión deberá poseer una derivación en su punto medio, lo que nos dará un transformador de 32,5 - 0 - 32,5 Vca.

¿Y de cuantos amperes? Hacia allá vamos.

Dijimos que necesitamos una potencia de 280W y acabamos de calcular la tensión 65V.

Aplicando el principio de Arquímedes que decía que

W = V * I

Donde:
W = Potencia
V = Tensión
I = Intensidad

W = V * I o lo que es lo mismo I = W / V nos da que necesitamos

I = 280 W / 65 V = 4,3 A

Hasta aquí tenemos el transformador, que sería de 65Vca con punto medio y una capacidad de corriente de 4,3A, pero para la fuente falta bastante.

Para el cálculo de los diodos (o puente rectificador) la primera idea seria un puente de 5 A (Mala idea)

Comentario descolgado:
¡ Pero! si mis placas consumen 4,3 A y yo le coloco un puente de 5 A, me sobran 0,7 A

Eso es lo que consumen tus placas, pero entre las placas y el rectificador van unos cositos negros (condensadores), que son los que alisan lo que entrega el rectificador estos hay que mantenerlos permanentemente en carga, sino la etapa de potencia se apaga y nos quedamos sin música.
Como esos cositos negros se cargan al mismo tiempo que por el otro lado se están descargando hacia las placas, consumen una corriente instantánea muy superior a la nominal de salida durante el pico de los semiciclos del transformador.

Aquí estoy mareado.

En un momento, el rectificador provee la corriente de funcionamiento de las placas y la corriente necesaria para reponer la carga del condensador perdida durante el tiempo en que la tensión de la onda es inferior a la tensión acumulada en el condensador.

Lo cual es mucho mayor que la corriente nominal.
Si no fuera alérgico a las formulas pondría el calculo de la corriente instantánea, pero digamos que se puede considerar como el 3 veces la corriente nominal, resumiendo necesitamos un rectificador de unos 12 A o mejor 15 A

Esta es la forma de onda que “Va” a los condensadores, como se ve presenta picos y valles, durante el segmento de “Crecimiento”, el rectificador esta soportando la re-carga del condensador además del propio consumo de las etapas amplificadoras

Ver el archivo adjunto 27024

Y esta es la tensión sobre los condensadores, la rampa de descenso se produce durante la parte en que la tensión del transformador pasa por un valle

Ver el archivo adjunto 27026

La altura de estas crestas y rampas son las que dan en definitiva la tensión de rizado

Y ahora tenemos un transformador de 280 W y 65 Vca con toma central y un rectificador de 12 A, lo cual todavía no sirve para nada porque a la salida del transformador-rectificador tenemos una onda con forma de ½ seno y una frecuencia de 100 o 120 Hz. (Depende del país).

Necesitamos “Filtrar” esta onda para que se asemeje lo mas posible a una tensión continua con la que alimentar nuestras placas de potencia.

Como ya se estarán imaginando, hay que hacer mas cálculos.

Para calcular el condensador de filtro se usa la formula siguiente:

C = I / ( 2 * F * Vr )

Donde:
C:
Es la capacidad necesaria en Faradios
I: es la intensidad que consume la carga en Amper.
F: es la frecuencia de alimentación en Hertz
2 es un factor de corrección para la frecuencia de alimentación, la señal rectificada en Herts, en un rectificador de onda completa será 2 veces la frecuencia de línea (Por eso escribí 100 o 120 Hz).
Vr: es el voltaje de rizado admisible a la salida del filtrado.

Esta es una formula práctica, la formula real para el calculo fino de capacidad necesaria es “Insufrible”

Para nuestro caso:

Debemos calcular el consumo de corriente de cada rama, para lo cual podemos estimar que cada rama va a proveer la mitad de la potencia total, es decir 140W c/u (280W/2), sobre la tensión de esa rama (45V), es decir 140W / 45Vcc ≈ 3,12 A, con este valor ahora calcularemos la capacidad necesaria de filtrado.

Un valor de rizado muy bueno será del 3% a 5%.
Uno bueno puede llegar al 7%.
Uno regular puede llegar al 10%

En esta aplicación, vamos a tomar un valor del 4% que estaría dentro de “Muy bueno”

Aplicando la formula anterior C = I / ( 2 * F * Vr )

Donde:
Vr
(Rizado admisible) = 4% de la tensión de la rama de la fuente = 45 V * (4 / 100)

I = 3,12 A
F = 50 HZ
(F = 60 Hz para el resto del mundo)
Vr = 45 V * (4 / 100 %) = 1,8 V
C = 3,12 A / (2 * 50 HZ * 1,8 V )
C = I / ( 2 * F * Vr )
Aplicando los valores
C = 3,12A / (2 * 50 * 1,8V)
C =
0,01733 Faradios = 17300 uF

Posibilidad de agrupar capacitores para lograr el total necesario con valores comerciales:
2 * 10000 uF = 20000 uF
4 * 4700 uF = 18800 uF
8 * 2200 uF= 17600 uF

¿Y qué opción me conviene más de las 3 posibilidades?

En realidad lo más conveniente sería colocar 8 condensadores de 2200 uF

¿Y por que?, si da menos que el calculo, ¿Y pa´que tanto capacitore? Si con 2 de 10000 uF tengo de sobra.

Porque el circuito de un condensador “Real” es una serie formada por 3 elementos, una resistencia de muy bajo valor, una bobina también de muy bajo valor y el condensador en si (R + L + C)

El total de capacidad de un conjunto de condensadores conectados en paralelo es igual a la suma de las capacidades individuales.
Pero los componentes inductivos y resistivos no se suman de esta forma, se aplica la formulita del paralelo para estos.

Para la impedancia:
1 / L = 1/ L1 + 1 / L2 . . . . . .

Para la resistencia:
1 / R = 1 / R1 + 1/ R2 . . . . . .

Si le diéramos valores numéricos a estas 2 últimas formulas veríamos que tanto la resistencia como la inductancia disminuyen al colocarlos en paralelo.

Como bien calculo Confucio, (inventor del electrón), si coloco condensadores en paralelo (como filtros) a igual capacidad con mayor cantidad, mejor rendimiento.

Existe otra formula práctica para estimar el valor de los condensador y es la de colocar 2200uF por cada Amper de consumo, para este caso: C = 3,12 A * 2200 uF ≈ 6600 uF.

Valor que haciendo el cálculo inverso nos daría un rizado del 5% aproximadamente
Esto funciona aceptablemente para aproximaciones gruesas.

Si se piensan que ya terminamos con la fuente van por mal camino, se están dejando tentar por “El lado oscuro”
Hola Fogonazo, muy buen aporte, dado que se está tocando el tema fuente de alimentación quisiera saber de que manera es posible alimentar la etapa de potencia de un amplificador con un voltaje mayor al de la tarjeta driver...algo así como una fuente independiente...
 
Eso es muy complejo y particular de cada amplificador.
Esa configuracion es clase H, utiliza varios voltajes en la etapa final.
Busca Clase H, y ve mirando las configuraciones, si quieres saber cómo modificar el amplificador para ese cometido, abre un nuevo post en el subforo correspondiente, en este se habla de fuentes de poder solamente
 
Hola Fogonazo, muy buen aporte, dado que se está tocando el tema fuente de alimentación quisiera saber de que manera es posible alimentar la etapa de potencia de un amplificador con un voltaje mayor al de la tarjeta driver...algo así como una fuente independiente...


Responder eso NO es posible sin conocer el circuito específico.
Es relativamente común alimentar la etapa de excitación con una tensión algo superior a la de la etapa de salida.

Para el caso inverso, se debe conocer el circuito y forma de trabajo de los transistores finales
 
Creo que NO se refiere a un amplificador clase "H" o tal ves si :unsure:
Me explico:¿será posible alimentar la etapa de potencia de un amplificador? (dígase los transistores de potencia conectados en push-pull) con una fuente aparte, el objetivo es tratar de lograr mayor potencia con la misma etapa impulsadora que va a estar alimentada con un voltaje inferior
Creo que NO se refiere a un amplificador clase "H" o tal ves si :unsure:
Me explico:¿será posible alimentar la etapa de potencia de un amplificador? (dígase los transistores de potencia conectados en push-pull) con una fuente aparte, el objetivo es tratar de lograr mayor potencia con la misma etapa impulsadora que va a estar alimentada con un voltaje inferior
Algo parecido a la foto que adjunto en el comentario...
Responder eso NO es posible sin conocer el circuito específico.
Es relativamente común alimentar la etapa de excitación con una tensión algo superior a la de la etapa de salida.

Para el caso inverso, se debe conocer el circuito y forma de trabajo de los transistores

Eso es muy complejo y particular de cada amplificador.
Esa configuracion es clase H, utiliza varios voltajes en la etapa final.
Busca Clase H, y ve mirando las configuraciones, si quieres saber cómo modificar el amplificador para ese cometido, abre un nuevo post en el subforo correspondiente, en este se habla de fuentes de poder solamente
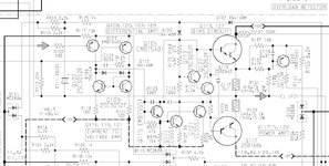
Este es el circuito al cual deseo hacerle la modificación, tiene excelente calidad de sonido,
 

Adjuntos

  • Screenshot_20241225_213948_OfficeSuite.jpg
    Screenshot_20241225_213948_OfficeSuite.jpg
    182.7 KB · Visitas: 35
  • Screenshot_20241225_220014_OfficeSuite.jpg
    Screenshot_20241225_220014_OfficeSuite.jpg
    94.3 KB · Visitas: 35
Última edición:
¿será posible alimentar la etapa de potencia de un amplificador? (dígase los transistores de potencia conectados en push-pull) con una fuente aparte, el objetivo es tratar de lograr mayor potencia con la misma etapa impulsadora que va a estar alimentada con un voltaje inferior
No, no y nooooo!!!!
Si supieras electrónica sabrías que la etapa de salida son el "colector común" --> ganancia de tensión igual a 1 --> lo que sale es lo que manda el VAS, que si tiene tensión de alimentación menor esta es la que entregará la etapa de salida.
 
No, no y nooooo!!!!
Si supieras electrónica sabrías que la etapa de salida son el "colector común" --> ganancia de tensión igual a 1 --> lo que sale es lo que manda el VAS, que si tiene tensión de alimentación menor esta es la que entregará la etapa de salida.
No tengo mucho conocimiento de Electrónica, más bien soy aficionado, pero veo claramente que en este esquema lo han hecho, aunque con un voltaje menor
 

Adjuntos

  • Screenshot_20241225_213948_OfficeSuite.jpg
    Screenshot_20241225_213948_OfficeSuite.jpg
    182.7 KB · Visitas: 18
Si subieras el esquema completo tal vez podríamos analizar como es el diseño, pero YO no veo nada de lo que decís salvo una tensión Vp menor que la Vh, pero no se sabe de donde viene ni que pretende por que falta la rama de alimentación positiva.
 
Atrás
Arriba