Banner publicitario de PCBWay

Consulta sobre filtrado de ruidos en amplificadores

Hola a todos...
Mi pregunta básica es como puedo mejorar un circuito X de un amplificador...
En los datasheet muestran esquemas en los cuales se detallan la configuración adecuada para el integrado de audio. El tema es que las entradas al integrado son directas, osea, conectadas directamente al pin del integrado sin que ningún capacitor y/o resistencia participen en la entrada...
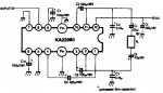
Mi duda surge a partir de que arme un circuito con el integrado KA2206 y en el datasheet aparece solamente las entradas directas al integrado sin ningún capacitor de por medio y antes de pasar el pcb a la placa de cobre, quisiera asegurarme que tanto la entrada como las salidas estarán bien filtradas así evitando ruidos parásitos y de tener que volver a diseñar la placa...
Espero haberme hecho entender con lo que pregunto. Dentro de un rato subo el esquema que use y el pcb hecho con pcb wizard para que puedan ayudarme mejor...
 
Hola.

El circuito de ese amplificador es bastante sencillo, acabo de ver en el datasheet de Samsung y efectivamente van directo al ampli, no lo lei para ver si decia algo al respecto, pero, en google hay imagenes del mismo circuito con los tipicos capacitores electroliticos de 1µF (1 micro faradio) en cada entrada.

Shema_1.gif


El circuito al ser sencillo, podes armarlo en placa experimental perforada en lugar de hacer PCB, te llevará menos tiempo y si hay que modificar algo podras hacerlo sin ningun problema, en cuanto al funcionamiento o rendimiento de estas placas frente a un PCB normal en este caso es el mismo.

placa-experimental-perforada-100-x-90-mm_MLA-F-3211948108_102012.jpg


Saludos.
 
Última edición:
Entonces por las dudas pongo un capacitor de 1uf en la entrada para evitar oscilaciones?
La pregunta la generalize porque también estoy armando un apli con el integrado tda7374B y justamente en la entrada hay 2 capacitores pero pensé que talvez le faltaría algún capacitor de 100n más 1 resistencia de 4.7k que vayan de las salidas a gnd para mejor filtrado...
La verdad es que de electrónica no soy profesional pero me guio mucho en cuanto a diseños de pcb con pcb wizard pero no me guio a la hora de "mejorar" al amplificador ya que tengo entendido que en los datasheet aparecen esquemas de testeo y no la mejor configuración que se le puede dar...
PD: al ka2206 lo arme en modo bridge, justamente el que está en el datasheet de samsung... Saludos


aca dejo el esquema que use y las vistas del circuito con pcb wizard...
 

Adjuntos

  • vista normal.jpg
    vista normal.jpg
    70.3 KB · Visitas: 41
  • vista real.jpg
    vista real.jpg
    63.9 KB · Visitas: 35
  • KA2206 modo bridge ESQUEMA.jpg
    KA2206 modo bridge ESQUEMA.jpg
    62.4 KB · Visitas: 45
Última edición:
El diseño de tu PCB se puede mejorar bastante, fijate de no hacer bucles de masa, en este caso puede que no afecte, pero si lo hace no habra forma de corregirlo a menos que cambies la placa. Fijate bien de elegir los tamaños de componentes adecuados como capacitores por ejemplo, para hacer todo lo mas reducido posible, tomate el tiempo de ordenar los componentes de la mejor manera para evitar pistas largas, usa puentes que no muerden, no uses autoruteo, etc...

Lo de agregar componentes a la entrada no es al boleo, depende del circuito, podes llegar a empeorar la cuestion.

Insisto, es un proyecto mas para placa perforada que para otra cosa, pero si quieres practicar la fabricacion de placas, adelante.
 
NOTA: (eh leido que se utilizan los condensadores, tipicamente son de 0.1uF<1uF, a la entrada de un amplifcador para disminuir/anular el componente de DC que puede quedar aun despues del rectificado y filtrado del trasformador, el inconveniente es que entre menor sea el valor del condensador mayor sera el filtro de las frecuencias bajas, por ello en algunos esquemas que eh visto de mediano watiage, 20<150Ws el condensador utilizado suele ser de 2uF, 4,7uF, 10uF porque requieren hacer pasar todas las frecuencias, incluidas las bájas)
....



El diseño de tu PCB se puede mejorar bastante, fijate de no hacer bucles de masa, en este caso puede que no afecte, pero si lo hace no habra forma de corregirlo a menos que cambies la placa. Fijate bien de elegir los tamaños de componentes adecuados como capacitores por ejemplo, para hacer todo lo mas reducido posible, tomate el tiempo de ordenar los componentes de la mejor manera para evitar pistas largas, usa puentes que no muerden, no uses autoruteo, etc...
., .
Disculpa ya que as mencionado el tema, les comento tengo un chip similar, no el mismo, no recuerdo el C/Identificador, pero es de la misma familia, KA, en una grabadora, la cuestion es que tan factible es armar/soldar los componentes de ese chip en el aire, sin utilizar placa, me explico, soldar el condensador de 100uF directamente a los pines (2&3) eh igualmente lo mismo a los pines (10&11) y asi los demas componentes
......
 
Última edición:
Soldar los componentes al aire seria factible, mientras seas prolijo, componentes con patas bien cortas, no calentar demasiado tiempo las patas del chip, pero, una placa perforada es muy economica...
 
Hola.
Osea que podría hacer el diseño aún más chico? Yo hice una impresión de prueba en un papel común y las medidas son 7.2 cm de largo X 5.5 de ancho. La idea básica de despejar el integrado de componentes es por sí le tengo que agregar un disipadór solamente es eso despues de usar auto ruteo fui acomodando los componentes para hacer la placa lo más compacta posible pero sí decís que puedo achicarla más (cosa que me gustaría mucho) voy a volver a acomodar los componentes para hacerla más chica. Creo que leí por ahí que no era muy bueno poner puentes pero sí no va a haber problema los hago...
Disculpa mi ignorancia pero a que te referis con lo de bucles a masa?
Una cosa más, yo tengo pensado usarlo como amplificador portátil, osea, sin tener que enchufarlo a algo. Así que lo voy a alimentar con baterías de celulares que en serie me dan 11.4v (el integrado aguanta 11 pero ya tengo pensado como voy a bajarle esos 400mv que sobran) crees que el capacitor de 1000uf está demás en la entrada de vcc? Te lo pregunto porque hace un par de semanas arme un ampli con tda2822m y en la entrada de vcc tenía el capacitor de 1000uf y con las baterías no me funcionaba (porque estaba pensado para un transformador de 9v), despues probando saque el capacitor y funcióno perfectamente...



NOTA: (eh leido que se utilizan los condensadores, tipicamente son de 0.1uF<1uF, a la entrada de un amplifcador para disminuir/anular el componente de DC que puede quedar aun despues del rectificado y filtrado del trasformador, el inconveniente es que entre menor sea el valor del condensador mayor sera el filtro de las frecuencias bajas, por ello en algunos esquemas que eh visto de mediano watiage, 20<150Ws el condensador utilizado suele ser de 2uF, 4,7uF, 10uF porque requieren hacer pasar todas las frecuencias, incluidas las bájas)
....




Disculpa ya que as mencionado el tema, les comento tengo un chip similar, no el mismo, no recuerdo el C/Identificador, pero es de la misma familia, KA, en una grabadora, la cuestion es que tan factible es armar/soldar los componentes de ese chip en el aire, sin utilizar placa, me explico, soldar el condensador de 100uF directamente a los pines (2&3) eh igualmente lo mismo a los pines (10&11) y asi los demas componentes
......

yo hice algo así como lo que vos comentas pero con un lm386, yo no le conecte ningún capacitor y resistencias, solamente hice trabajar al integrado sólo uniéndolo sólo con cables y funcionó. Obiamente que la calidad de sonido no era la mejor ya que sólo lo uni con cables pero dentro de todo funcionaba bien... Jeje
 
Última edición:
Está buena la idea de poner un disipador, pero no es necesario que sea tan grande, deberias ver bien el tamaño que pensas usar y como lo vas a sujetar al integrado.

El tema de las baterias de celular, tienen un circuito interno que desconecta la bateria en si cuando detecta un cortocircuito, al momento de conectar el ampli a la fuente el capacitor exige un pico de corriente para cargarse, me imagino que lo habras notado cuando conectas un capacitor a alguna fuente hace una chispita en las patas, bueno, esto puede ser visto como un cortocircuito por el circuito interno de las baterias, por eso es que no funciona.

El capacitor no es necesario si vas a usar baterias, asi como tambien medidas extremas para evitar ruidos y oscilaciones, estas cosas son comunes cuando usas fuentes lineales, o SMPS, aun asi no esta demas que vallas viendo algunas cuestiones referentes a masa, en principio para evitar problemas en futuros PCB que fabriques:

https://www.forosdeelectronica.com/f31/algunas-pautas-diseno-fuentes-alimentacion-audio-17791/

No creo que tengas problemas con esos 400mV, no se como pensaras bajarselos, esos 11.4 son medidos con tester?
 
El tema del disipadór era una posibilidad ya que sí el integrado trabaja a 5W (4.7W MAX a 8 OHMS)
yo a las baterías ya les saque los circuitos que tienen, esos 400 mv pensaba regularlos con un potenciómetro. El voltaje es medido con un tester digital. Sí decís que esos 400mv no le hacen nada al integrado los dejo como está, yo lo decía porque en el datasheet dice 8V min y 11V max por eso decía de regularlo...
Que concejo me podrías dar para mejorar la masa de la placa? Como se puede ver en las capturas, los negativos de los condensadores, entrada y salida, entrada de vcc y la 3 pata del potenciómetro están conectados a una sola masa que es la de la placa está bien así conectados? Sí se podría mejorar eso decime como así rediseño la placa para poner puentes donde se necesite y sí hay que mejorar masa aprobécho para arreglarlo. Te agradesco mucho la ayuda que me estas dando!
 
Yo no me preocuparia por esos 400mV, si tienes algun problema como calentamiento excesivo o humo, tenes tambien el TEA2025 que es muy similar al que estas usando y admite mas tension.

Lo de la placa, leyendo el tema que te dije ya tenes una idea de que se trata un bucle de masa, ordena bien los componentes, hay una que otra pista que es muy larga, si piensas poner un disipador, deberias decidir cual será y asi dejar el espacio necesario, coloca los componentes mas juntos...
 
si lei todo pero entendi poco.jeje pero igual voy a volver a releer para poder comprenderlo...

aca te dejo de nuevo la placa como quedo, trate de achicarla lo mas posible y tambien de acortar las pistas lo mas que se pudo, solamente tuve que poner 2 puentes nomas...

con el tema del tea2025, ese era el que yo queria porque en el foro hay varios proyectos con este integrado, pero como no tenian me dieron este y me dijeron que era su remplazo, como no esta seguro de si las patas eran las mismas decidi armar la placa yo mismo... si hay algo que veas mal no dudes en avisarme :)

PD: la vista real y la de componentes tienen zoom para que puedas ver en detalles todo
 

Adjuntos

  • vista real.jpg
    vista real.jpg
    102 KB · Visitas: 35
  • componentes.jpg
    componentes.jpg
    128.4 KB · Visitas: 21
  • vista sin zoom.jpg
    vista sin zoom.jpg
    58.9 KB · Visitas: 14
A ver:

Evita curvas en las pistas a 90º, en esos casos debes usar dos curvas de 45º.

El uso de puentes no esta mal, pero siempre que se pueda omitir mejor, el puente que va a C8 lo podrias evitar facilmente mandando la pista hacia el medio del integrado, es decir en ligar de ir al puente, la llevas hacia el centro del integrado.

En mis PCB siempre trato de dejar los componentes simetricos, como capacitores, todos apuntando el positivo hacia el mismo lado, y en lo posible alineados a una cuadricula imaginaria.

C1 y C10 podrian ir los dos juntos entre el IC y el potenciometro, sus pistas saliendo del centro del integrado.

Con eso ya deberias poder reorganizar mejor los componentes que estan arriba, no se si al final vas a colocar C5, pero podrias dejar un lugar destinado a ello, yo siempre hago las placas con algunos pines o conexiones extras, para usarlas en algun circuito o aparato diferente al que sera destinado principalmente.

Fijate que podrias poner la salida de parlante (OUT) del lado izquierdo, sacando las pistas que van a C2 y a C8 como dije antes, por el centro de las patas del integrado, asi te quedaria acomodar un poco los componentes, y el pin de alimentacion quedaria libre para evitar usar otro jumper.

Espero que te sirvan estos consejos, ah si, no uses autoruteo, es una herramienta que limitara tu capacidad de aprender a hacer PCB, ya que lo mejor es acomodar tu mismo los componentes a medida que vas trazando pistas.

Saludos.
 
Así lo haré. Volveré a reacomodar los componentes siguiendo tus concejos para remejorarlo... La verdad que no me había dado cuenta lo de la bornera del voltaje, ya lo estoy arreglando.jeje
vos decís que en vez de dejar las pistas con cortes de 90 grados osea todo recto, que lo haga en diagonales?

A C5 lo pienso dejar para también poder conectar algún transformador de 9v porque la baterías no van a ser eternos y sí quiero y tengo la posibilidad de usarlo enchufado mucho mejor para preservar las baterías para cuando quiera lo usar de forma portátil...
 
Última edición:
Claro, en lugar de hacer una sola curva a 90º haces dos de 45º, debes evitar eso porque al mandar el pcb al acido es probable que se deforme la esquina de una pista de 90º, entre otras cosas, ademas queda mejor...
 
mira aca reacomode todo y lo pude achicar mas...

de paso te dejo la imagenes del otro amplificador que estoy haciendo del TDA7374B, hay muchos errores para corregirle y mucho mas espacio que achicar, con este voy a seguir tus concejos para poder mejorarlo...:D
 

Adjuntos

  • NORMAL.jpg
    NORMAL.jpg
    76.3 KB · Visitas: 22
  • VISTA REAL.jpg
    VISTA REAL.jpg
    46.2 KB · Visitas: 19
  • TDA7374B 1.jpg
    TDA7374B 1.jpg
    55.9 KB · Visitas: 16
  • TDA7374B 2.jpg
    TDA7374B 2.jpg
    35.3 KB · Visitas: 16
  • TDA7374B DATASHEET.jpg
    TDA7374B DATASHEET.jpg
    57.2 KB · Visitas: 14
Quedo mejor, pero se puede mejorar mas, la cosa es que no uso ese programa, uso Eagle, mas tarde te paso una imagen de los PCB que hago, para que saques algunas ideas...

Y el otro PCB, los coponentes estan muuuy separados jeje...
 
Sí jeje, pasa que como hace muy poco empezé a dibujar con pcb wizard, miro los datasheet y empiezo a tirar pistas como un caballo y veo así nomas donde se puede achicar a lo superficial y para mi así queda bien, pero ahora me voy a fijar muy bien donde se puede achicar lo más posible, le voy a dedicar más tiempo para dejar los pcb más buenos... Ah y de usar lo menos posible de pertinax.Jaja
con el tda7374b te quiero hacer 2 preguntas nomas; la primera es sí el fusible que le puse está bien. Según el datasheet el integrado consume 12V con 4.5A estando al palo; y la otra es sí están bien conectados los rca de la entrada...
Este amplificador esta pensado para usarlo con el auto, lo rescate de un viejo estéreo a cassette que acá en casa estaban por tirar y como no sabía dibujar circuitos (hace un par de semanas) no sabía que hacer con el y aparte no encontré ningún pcb ya hecho así que más me apure por aprender a usar pcb wizard pero todavia me falta bastante...

Espero algún pcb tuyo para poder mejorar mis diseños... :)
 
Mirá, aca tenes unas placas que hice, y hay muchas mas en ese tema, buscalas si queres y las miras...

https://www.forosdeelectronica.com/posts/703409/
 
carlos juan dijo:
mi situacion es esta arme un amplificador de 180 con el tda 7294 un salida suena bien pero la otra tiene ruido y aumenta al aumentar el volumen ayuda po
rfa

¿ Esquema ?
¿ Fotos ?
¿ Información ?
¿ Diseño de PCB ?
¿¿¿¿ Algo ????
 
Atrás
Arriba