Banner publicitario de PCBWay

Filtro crossover para subwoofer

El pedido que les hago es por que tengo un amplificador de 50 Watts y quisiera conseguir un filtro para utilizarlo.


Por favor lo necesito con urgencia pues mi equipo de sonido se lo llevaron mis padres.
 
Última edición por un moderador:
Yo armé el de Pablín pero no lo puedo hacer andar.
¿Vos armaste alguno de esto dos? El de Electrónica Fácil está recomendado en varias páginas.
 
Última edición por un moderador:
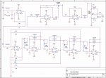
Aquí te va éste que me paso Luciperro. Es activo, con potenciómetro de volumen, tono y corte de frecuencia regulable con potenciómetro cuádruple. Creo que va desde los 50Hz hasta los 200Hz.

Lo mando, espero que con el permiso de Luciperro, autor de éste circuito.

Saludos y suerte.
 

Adjuntos

  • crossover_para_el_woofer_324.jpg
    crossover_para_el_woofer_324.jpg
    147 KB · Visitas: 881
Última edición por un moderador:
El pot1a, 1b, 1c y 1d , para que son? El que dice tono grave creí que era para regular la frecuencia de corte, pero esos 4 potenciómetros me confunden.
 
Última edición por un moderador:
Zdrake. ¿Ese crossover lo puedo utilizar con un amplificador de 100 Watt con bocina a 8 Ohms?
Espero tu repuesta.
 
Última edición por un moderador:
Hola muchachos, aquí le dejo un modelo de subwoofer que diseñé , pueden simularlo en Circuit Maker , a mi me sonó muy bien, tiene una respuesta en frecuencia muy plana, espero les sea de ayuda.;)
 

Adjuntos

  • subwoofer.rar
    2.6 KB · Visitas: 599
Última edición por un moderador:
Hola muchachos, aquí le dejo un modelo de subwoofer que diseñé , pueden simularlo en Circuit Maker , a mi me sonó muy bien, tiene una respuesta en frecuencia muy plana, espero les sea de ayuda.;)

Si pretendes que le sea de utilidad a alguien, es mejor que subas una IMAGEN del circuito y no un archivo de Circuit Maker, ya que muy pocos utilizan ese software y menos aún saben para que sirve.
 
Atrás
Arriba