Banner publicitario de PCBWay

Fuente doble variable y protegida de 0V a 30V, 8 Amper

Nilfred dijo:
¡Tanta fuente para un motor! Bueno, ponele un par de diodos a la salida:

Jajajaja, no, es para una mesa de laboratorio, solo que quiero probar la fuente con carga por un largo tiempo para ver cuánto se calienta y su funcionamiento y no se me ocurrió una mejor idea que un motor. Pero no sé si estuvo bien lo que hice de poner la mitad del voltaje que le suministré al motor con la parte positiva y con la negativa la otra parte.
Los diodos que me comentas serían colocándolos en dirección de la salida no? Con un 4004 sería suficiente o estaría excedido? Gracias!
 
El diodo actúa solo al desconectar la carga inductiva, como motor o solenoide. Si lo pones al revés haces un corto.
 
Ok lo probaré, pero entonces porqué exploto el capacitor? Dejo los electrolíticos al final o los cambio por tantalio? Retomando el problema anterior que tuve y que me explotó un capacitor, chequé mis conexiones y verifiqué que todo funcionara adecuadamente. Probé primero con un motor pequeño y sólo en la parte positiva, a 12v, todo funcionó de maravilla por 1 hora contínua. El LM317 subió su temperatura hasta 60º y no hubo mayor problema.

Proseguí a conectar el motor robusto, empezando por 12v. En cuanto energicé la fuente el motor empezó su funcionamiento, esta vez sin mayor complicación que el zumbido que genera. Sin embargo, cuanto tomé la temperatura de los componentes, el LM317 estaba igual, como a los 60º, pero un TIP35 de la parte de protección subió su temperatura hasta 115º (con disipador) Creo que es una temperatura demasiado alta y me gustaría saber si es normal o alguna sugerencia que tengan del por qué tuve tanta temperatura en el momento. El TIP35 en cuestión es el que va conectado a la salida. Sugerencias y comentarios? Gracias!
 
Última edición por un moderador:
Perfecto, me daré a la tarea de voltear el Q3 y el Q4 en las fuentes y a probarlas. Si está bien el tipo de tip para cada parte de la fuente? Me refiero a que la parte positiva lleva PNp y la parte negativa NPN? Muchas gracias por su ayuda!
 
Hola.

TIP35C es NPN


TIP36C es PNP

Los tros transistores pueden ser:
MJE200 NPN o equivalente
2N6049 PNP o equivalente.

Chao.
elaficionado.
 

Adjuntos

  • fuente_30_version_2_184_500.jpg
    fuente_30_version_2_184_500.jpg
    18.8 KB · Visitas: 139
cierto cierto perdon, error mio, al ver el datasheet los confundí por anotar pnpnpn y ya no sabía cuál era cual. Pero tienes toda la razón, 36=PNP 35NPN, 36 va en lo positivo, 35 en lo negativo. ahora solo tendré que puentear el colector y el emisor de los que conecté al revés :S MUCHAS GRACIAS!
 
Hola.
Esos transistores TIP35C/36C son de potencia.
Lo que te quiero decir es, que tú estás usando 2 transistores TIP35C, y 2 transistores TIP36C, para cada regulador.
Lo que te sugiero es que uses el TIP35C junto con el 2N3054A (en lugar del segundo TIP35C), de manera similar que uses el TIP36C junto con el 2N6049 (en lugar del segundo TIP36C). Tal como se muestra en el gráfico anterior. Ya que no es necesario usar transistores de potencia como limitador de corriente. Pero si deseas usar los TIP35C/36C no hay problema.

Chao.
elaficionado.
 
Ledom dijo:
cierto cierto perdon, error mio, al ver el datasheet los confundí por anotar pnpnpn y ya no sabía cuál era cual. Pero tienes toda la razón, 36=PNP 35NPN, 36 va en lo positivo, 35 en lo negativo. ahora solo tendré que puentear el colector y el emisor de los que conecté al revés :S MUCHAS GRACIAS!

A ver Ledom y elaficionado,
Las correcciones indicadas en el post de elaficionado referente a la conexión de los TRs es muy acertada. Sin embargo, en el post 365 de este hilo, en el diagrama de la fuente, tienes un error GARRAFAL y está representado en las conexiones del PUENTE-DIODOS.
Espero no lo hayas conectado como está indicado allí.
Te adjunto un diagrama de otro origen, de fuente similar, a fin de que puedas verificar ese asunto.

Saludos:
 

Adjuntos

  • fuente_122.jpg
    fuente_122.jpg
    122.6 KB · Visitas: 130
mcrven dijo:
tienes un error GARRAFAL y está representado en las conexiones del PUENTE-DIODOS.
Espero no lo hayas conectado como está indicado allí.

Lol, ciertamente tengo ese error, sin embargo no lo conecté así. Lo había puesto así por error en el diagrama, sin embargo si lo conecté bien, además el puente que utilize trae su nomenclatura en cada uno de sus pines y así que no hay pierde jijiji. Muchas gracias!
 
Y ahora los vuelvo a molestar...
Hice los cambios que acertadamente elaficionado me indicó, cambié mis conexiones de los colectores y emisores que tenía mal de los TIP36C Q2 y Q3, pero como ya tenía el material, seguí usando los TIP en lugar de los transistores que me recomendó (ver post #371 y #373). Probé la fuente y funcionaba a la perfección, regulaba bien sus salidas, tanto (+) y (-), de 1.2 a 34v. Volví a conectar el motor de amperaje desconocido y funcionó bien... como por 30 segundos. Empezó a aumentar su velocidad sin motivo aparente y me di a la tarea de apagar todo. Antes que otra cosa medí la temperatura y uno de los transistores (el mismo de la vez pasada, Q3) llegó a 120ºC. Desconecté el motor y chequé el voltaje que me estaba entregando la fuente, para mi sorpresa era de 36v, moví el potenciometro para ajustar ese voltaje (fuera de rango) y empezó a quemarse la resistencia de 120ohms. Desconecté el potenciometro y éste funciona bien, sin embargo no comprendo porqué pasa esto (cambio de voltaje, temperatura en el transistor, resistencia quemada) y podemos hacer una suposición, que sea el motor, sin embargo yo intenté que esta fuente fuera a prueba de todo, incluyendo motores descompuestos. Alguna ayuda, sugerencia, comentario... o pesame? ops:
De antemano, muchas gracias!
 
Hola.
Haz puesto los diodos de protección en los reguladores según lo indica la hoja de datos.

Ya que salió humo debes verificar que los reguladores, y trasnsistores no estén dañados.

Puedes publicar el circuito que haz armado, que el dibujo se lo más exacto al que armaste, y dime cuál es la corriente máxima que deseas obtener.

Chao.
elaficionado.
 
Gracias por tu pronta respuesta elaficionado. Mira, quisiera que me entragara los 5amps que el transformador "me entrega" y pues la fuente es regulada de (+)(-) 1.2 hasta (+)(-) 30v.

Donde CN2 representa la kulka donde conecto mi transformador (48v 5ams con tap central) y R1 es de 120, error de dedo. De ahí en fuera todo está tal y como lo conecté, ya revise el PCB que realicé y está bien como en el diagrama.
 

Adjuntos

  • fuente__30_version_2_final_128.jpg
    fuente__30_version_2_final_128.jpg
    77 KB · Visitas: 211
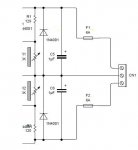
Hola.

Creo que necesitas estos diodos de protección, para cuando quieres alimentar un motor.

Chao.
elaficionado.
 

Adjuntos

  • fuente_30_version_2_final_128_149.jpg
    fuente_30_version_2_final_128_149.jpg
    16.6 KB · Visitas: 209
ok, con eso podría proteger al alimentar un motor diodo de gnd a la salida (antes del fusible), lo checaré, pero y lo de la temperatura del transistor podrá ser por lo mismo?
 
Pero se me hace excesiva la temperatura que alcanzó. Mañana probaré de nuevo con el motor y la mejora que me diste del diodo, pero aún así siento que algo me está faltando para que funcione al 100 y esté bien protegida :(
Muchas gracias por tu ayuda, de verdad ha sido toda una salvación
 
Atrás
Arriba