Banner publicitario de PCBWay

Manejar teclado matricial y mostrar en lcd

Hola GABAVAGA

Espero que el que adjunto sea el que estás requiriendo.
Me podrías enviar el que tienes en ISIS de Proteus ?.
Si lo haces, envíamelo en el formato que se genera con ese simulador. Me serviría más.

saludos
a sus ordenes
 

Adjuntos

  • KeyBoard 3 x 4 GABAVAGA.zip
    4.9 KB · Visitas: 181
Hola GBAVAGA

Haciendo DRAG con el Mouse.

Posiciona el cursor del Mouse sobre el componente que pretendes Mover.
Presiona el botón derecho del Mouse sin soltarlo arrastra(Drag) ese componente hasta donde lo quieras re-localizar.

También, es conveniente, quitar todos los alambres y mover los componentres y despues volver a conectar todo.

saludos
a sus ordenes.
 
Si eso lo hago en el programa pero como hago para hacerlo en la diseÑo xq si lo monto en el proto el deco y las nor siguen teniendo la misma funcion y me van a dar los resultados en el display como estan en la simulacion que me pasaste no?
 
Hola GABAVAGA

Sí, efectivamente así es; cambies a donde cambies los botones, la figura en el Display será la misma que cuando estaban en el arreglo original. Siempre y cuando cada botón quede conectado a la X y a la Y donde estaban conectados.

Si lo que quieres es que cuando se presione el botón correspondiente a la A aparezca en el Display un asterisco(*)
Se tiene que hacer una circuiteria para lograrlo. Pero cómo mostrarías ese asterisco en un Display de 7-Segmentos ?. y Este otro # ?.
Tendrías que utilizar otro tipo de Display.
Lo mismo ocurre cuando presionas el botón correspondiente a la B.

Otra cosa: si quieres que además de que aparezcan esas figuras en el Display (*, #) obtener el código ASCII de esos caracteres hay que hacer otra circuiteria para lograrlo.

Así están conectados los botones:
Botón -> Conectado Entre X y Y:
0 -> X0-Y0
1 -> X1-Y0
2 -> X2-Y0
3 -> X3-Y0
4 -> X0-Y1
5 -> X1-Y1
6 -> X2-Y1
7 -> X3-Y1
8 -> X0-Y2
9 -> X1-Y2
A -> X2-Y2 Sé más explicita: qué quieres que haga el circuito cuando presionas el Botón “A” ?.
B -> X3-Y2 Sé más explicita: qué quieres que haga el circuito cuando presionas el Botón “B” ?.

El Nombre de los botones A y B se pueden cambiar, en CircuitMaker, entrando a “Device Properties”, “Propiedades del Dispositivo”.

saludos
a sus ordenes
 

Adjuntos

  • Borrame 6.jpg
    Borrame 6.jpg
    255.3 KB · Visitas: 186
Hola GABAVAGA

No entiendo, qué es “borones” ?.
Solo supongo que es botones.

Dices: un pin por columna y uno por fila.
Así es el que te envié en mi mensaje #11.

Solo que para que no se vea un montón de alambres lo dibujé así como está.
Los nombres de los conectores que inician con Y son las filas.
Los nombres de los conectores que inician con X son las columnas.

Hazlo en tu simulador:

Inserta todos los botones que requieres y adjudícales su nombre.
Acomódalos como me mencionaste en tu mensaje #6
1 2 3.
4 5 6.
7 8 9.
* 0 #.
A la izquierda de esa Matriz inserta 3 conectores que nombrarás Y0, Y1, Y2.
En la parte baja de esa Matriz Inserta 3 conectores que nombrarás X0, X1, X2, X3.

Ahora conecta los botones a cada terminal de acuerdo al dibujo de mi mensaje #11.
Puedes mover los conectores para que no se vea tantos alambres cruzados.

Te debería quedar +/- como el que viene en la imagen adjunta.

No me has respondido si se deben ver en el Display el Asterisco(*) y el símbolo de Número(#)

saludos
a sus ordenes
 

Adjuntos

  • Borrame 7.jpg
    Borrame 7.jpg
    117.7 KB · Visitas: 55
Yo creo que no me explique bien todos los numeros
1-2-3 misma fila
4-5-6 misma fila
7-8-9 misma fila
*-0-#misma fila
1-4-7-* misma colomna
2-5-8-0 misma columna
3-6-9- # misma columna
asi es como debe ser xq es un teclado que ya esta armado no es que yo lo voy a armar con pulsadores, si yo pudiera armar el teclado fino porque el ejemplo de circuit majer que me mandaste en el otro tema me servia ...=/( solo tenia que modificar la posicion de los cables
 
Última edición:
Hola GABAVAGA

Espero hayas solucionado lo del teclado, si no, aquí puede estar la solución:

Vaya, cambiaste todo el contenido de tu mensaje #14. antes decía:
“Ha ok.... No se debe mostrar el * se debe mostrar a”.
No me llego ese cambio que hiciste.

pero, como dicen: no hay mal que por bien no venga.
Ahora entiendo lo que quieres. Creo.

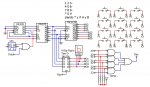
Se requiere hacer un decodificador para que las salidas D8, D4, D2, D1 del Flip-Flop 74LS74 sean procesadas y a las salidas de ese decodificador conectar, en este caso, el Display HEXagecimal Llamado “Ahora Da” .

Reacomodando los botones como te sugerí y conectándolos en una matriz X, Y te daría:
Con(Presionando): * Da: 0 Debe Dar: A.
Sigue las demas columnas, aunque no es necesario.
Con: Da: Debe Dar:
* --> 0 ----> A
0 --> 1 ----> 0
# --> 2 ----> B
7 --> 4 ----> 7
8 --> 5 ----> 8
9 --> 6 ----> 9
4 --> 8 ----> 4
5 --> 9 ----> 5
6 --> A ----> 6
1 --> C ----> 1
2 --> D ----> 2
3 --> E ----> 3

En la imagen adjunta viene ese decodificador y los botones reconectados como tu lo mencionaste.
Espero esto te ayude a continuar con tu proyecto.

En el archivo .ZIP está contenido el circuito que fue desarrollado con el simulador CircuitMaker.

saludos
a sus ordenes
 

Adjuntos

  • Borrame C.jpg
    Borrame C.jpg
    228.8 KB · Visitas: 91
  • KeyBoard 3 x 4 GABAVAGA(2).zip
    7.1 KB · Visitas: 54
Muchas gracias ya monte otro circuito y en la simulacion todo bn pero a la hora de la verdad noooooooooooooooo funciono =( ahora me toca un motor paso a paso =( muero
 
Hola GABAVAGA

Seguramente conectaste algo mal o no lo conectaste a la hora de la verdad.

Ese motor que mencionas cuantos alambres tiene?... Que tipo es ?... Cual es la secuencia para un giro CW y para el otro sentido CCW ?.
Creo que tienes otro mensaje tratando de esto mismo; mejor vamonos para allá.
https://www.forosdeelectronica.com/f29/motor-paso-paso-selecionar-numero-pasosunipolar-58841/#post518504
Pero No acabo de ver que enviaron tus mensajes a Moderación.

Mejor responde aquí.

saludos
a sus ordenes
 
Última edición:
Hola GABAVAGA

Te pregunte varias cosas pero me respondiste solo algunas.
“Ese motor que mencionas cuantos alambres tiene?... Que tipo es ?... Cual es la secuencia para un giro CW y para el otro sentido CCW ?.”

Pues bien; si tu sabes cual es la secuencia, que se le aplican a los 6 alambres, para que gire en un sentido y en el otro solo tienes que contar esos cambios que le aplicarías a esas terminales y por medio de un comparador de magnitud determinar si ya han pasado los pulsos requeridos.

saludos
a sus ordenes
 
si disculpa MR carlos la secuencia para Cw:paso 1:1000-paso 2:0100-paso 3:0010-paso 4: 0001- siendo esta la distribucion bobina 1 a-b bobina dos c-d.... los otros dos cables son un punto comun a vcc.
y para Ccw: paso 1:0001-paso 2: 0010-paso3:0100-paso 4:1000
y gracias creo que ya lo tengo deja que haga la simu a ver que tan mal esta
la ponga mañana a eso de las 6pm cuando llegue de clase ahora me voy a dormir me toca parar,e al amanecer
 
Atrás
Arriba