Banner publicitario de PCBWay

Semáforo con 555, flip flop JK, y compuertas lógicas

Hola Fogonazo:
me refiero para el circuito del semáforo, me refiero a que tengo que ponerle dos display para indicar en que tiempo debe de cambiar las luces por ejemplo, para que dure: "20 segundo en verde, después 10 segundos en amarillo y después 20 segundos en el rojo" y así volver a hacer lo mismo sin parar.
pero no se como poner el display para ese conteo, osea me refiero un semáforo con dos display.
como es que se le da para responder el mensaje del que quiero responder
Para lograr eso el semáforo ya debe posee un sistema de temporizado con contadores, de ahí mi consulta ;)
Contadores que cuenten ¿ Que cosa ? y en ¿ Que circuito ?
 
subi un semaforo peatonal con boton de paro


 

Adjuntos

  • semaforo peatonal (2).zip
    387.4 KB · Visitas: 42
  • Semaforo kk (1).zip
    223.5 KB · Visitas: 28
  • sema (1).zip
    190 KB · Visitas: 14
  • sema (1).zip
    190 KB · Visitas: 11
  • Semaforo kk.zip
    223.5 KB · Visitas: 18
  • semaforo peatonal (2).zip
    387.4 KB · Visitas: 16
Última edición:
Hola disculpen pero estoy en un dilema, se me requiere diseñar un cruce para un semáforo donde se ven los cambios de semáforo tanto para dos vehículos como para dos peatones en donde para cada cambio se requiere de un tiempo distinto y cuando el peatón esta en verde este tiene que titilar para cuando vaya a cambiar, he elaborado una tabla de estados pero no se como simplificarla por favor si me dan una idea sera de gran ayudaTabla de estados.PNG
 
Al menos tienes que darle forma a tu esquema. Por ejem, que necesito?
Al tratarse de un sistema mixto, secuencial-combinacional, por un lado tiene que haber un reloj que determina el periodo de cada estado.
Entonces, necesitas un CK, al menos un contador o Contador-secuenciador, y por otro lado quizás un par de compuertas.
 
Hola disculpen pero estoy en un dilema, se me requiere diseñar un cruce para un semáforo donde se ven los cambios de semáforo tanto para dos vehículos como para dos peatones en donde para cada cambio se requiere de un tiempo distinto y cuando el peatón esta en verde este tiene que titilar para cuando vaya a cambiar, he elaborado una tabla de estados pero no se como simplificarla por favor si me dan una idea sera de gran ayuda
Sinceramente con un uC yo te podría ayudar ya que lo veo mas sencillo de hacer algo así y si, con maquinas de estado se puede lograr, pero veo que necesitas usar compuertas lógicas. Al menos muestra tu tabla de estados que hiciste e implementa tu circuito de tu tabla de karnaugh, ve probando de a pocos y pide ayuda ya que aca hay excelentes foristas, y por ultimo no esperes que todo te lo hagan por ti. Muestra avances y te pueden ayudar.
 
Sinceramente con un uC yo te podría ayudar ya que lo veo mas sencillo de hacer algo así y si, con maquinas de estado se puede lograr, pero veo que necesitas usar compuertas lógicas. Al menos muestra tu tabla de estados que hiciste e implementa tu circuito de tu tabla de karnaugh, ve probando de a pocos y pide ayuda ya que aca hay excelentes foristas, y por ultimo no esperes que todo te lo hagan por ti. Muestra avances y te pueden ayudar.

Estaa seria mi tabla de estados pero me parece muy dispendiosa, quisiera saber como simplificarla, puse los seis contadores pues los tiempos son desiguales
 

Adjuntos

  • Tabla de estados.PNG
    Tabla de estados.PNG
    22.1 KB · Visitas: 22
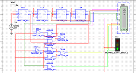
Hola, buenas tardes. Aún no entiendo por-qué no me funciona este semáforo con un 555 y flip-flop.1760115393573.png
 
Última edición por un moderador:
Hola, mejor utiliza un 4017 como selector de estados. Con la ayuda de algunos diodos en las salidas del mismo, distribuyes los 3 colores.
Por ejemplo: 0,1,2 y 3 para el verde.
4 y 5 para el amarillo y los restantes para el rojo.
Bienvenido nuevamente por estos lares lógicos Don Robot Robert

Pa que le dijo no ve que no aprende :ROFLMAO: Bueno démosle una luz a ver si se le prende el foco a Don Marco Tulio, aunque dudo que vuelva :LOL:

1760312155262.png
 
Atrás
Arriba