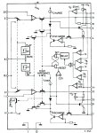
Hola amigos del foro, realice la simulación de este ampli que compartio el maestro fogonazo y pues al parecer se comporta bien, no realice ningún cambio en valores, solo algunos transistores que no aparecieron en la base de datos del multisim, todo lo simule de acuerdo al layout...
En la etapa de potencia, le puse resistencias de 0.33 en los emisores y resistencias de 10 ohm en las bases, no se si estos valores estén bien,( no soy profesional del tema, solo aficionado

), y no se cuenta con esos datos en la información que nos brindo el maestro fogonazo y tome esa configuración de otro circuito.
90 vcd de alimentación
6 pares de transistores en etapa de potencia
4 ohoms
671 watts de salida
0.176 de THD
Aunque no es muy común ver amplificadores de la marca JBL, al menos por mi país, en la simulación parece tener una buena respuesta.
les comparto la simulación en multisim 12, si alguien le da una mirada haber si puede hacer favor de comentar si esta bien, o comentar si alguien a tenido alguna experiencia con amplificadores JBL ya que no son muy mencionados en este foro.
Gracias y saludos cordiales