Cacho
Antiguo tableador
Exactamente Lubeck.
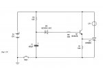
Es un poco más complejo, pero básicamente es así. La otra opción para apagar un SCR es cortarle la corriente.
En realidad funcionan así: Una vez que recibe la tensión necesaria para dispararse en el Gate conducen aunque ésta desaparezca, mientras tenga una cierta corriente de mantenimiento (este parámetro varía de un modelo a otro, pero son corrientes bastante bajas las que necesita). Si se cortocircuitan sus terminales, la corriente que circula a través del SCR es cero y se abre (no conduce más). Removido lo que hacía el corto, se acabó la corriente.
Si se le corta la corriente (asumo que el auto hace eso al apagarlo), el SCR se apaga también y no conduce más
.
Con un PNP le das tensión al Gate cuando se abre el interruptor y el SCR se queda conduciendo pase lo que pase después con el resto del circuito. Se apaga con la llave del contacto.
Saludos
Es un poco más complejo, pero básicamente es así. La otra opción para apagar un SCR es cortarle la corriente.
En realidad funcionan así: Una vez que recibe la tensión necesaria para dispararse en el Gate conducen aunque ésta desaparezca, mientras tenga una cierta corriente de mantenimiento (este parámetro varía de un modelo a otro, pero son corrientes bastante bajas las que necesita). Si se cortocircuitan sus terminales, la corriente que circula a través del SCR es cero y se abre (no conduce más). Removido lo que hacía el corto, se acabó la corriente.
Si se le corta la corriente (asumo que el auto hace eso al apagarlo), el SCR se apaga también y no conduce más
Con un PNP le das tensión al Gate cuando se abre el interruptor y el SCR se queda conduciendo pase lo que pase después con el resto del circuito. Se apaga con la llave del contacto.
Saludos




