Banner publicitario de PCBWay

Sumador de 4 bit cada numero y mostrar en Display

Hola alekz

En el circuito sumador de 4 BIT’s que ya armaste, puedes meter los números que están en la columna “#” a la izquierda de tu tabla.
Son 11 líneas y 14 columnas en tu tabla.

En las columnas A’s escribe números binarios al igual que en las columnas B’s.
Suma A’s + B’s y escribe el resultado en las columnas “Sigma”.
En la columna Co escribe o ó 1 si al efectuar una suma te da 1 Carry.
La Columna Ci déjala en 0.

También, como ya tienes armado tu sumador de 4 BIT’s, puedes efectuar la suma línea por línea de la tabla y anotar los resultados que te da tu sumador.

saludos
a sus ordenes
 
ok gracias por la respuesta, entonces por lo que veo la sumas de las componentes A'S + las B's me deben generar s1 y asi sucesivamente, bueno lo q pasa es q ya simule el cto en multisim pero me genera otros resultados aunq sea parecidos pero tengo otra duda de conexion con respecto a Cin y a Cout lo q pasa es q me dijeron q en cout colocara un switch a tierra pero no se si sea correcto por q en el diagrama tiene el cin con salida a un led y eso me confunde por q el q debe ser de salida es el cout el diagrama q segui es el siguiente:
 

Adjuntos

  • ctolll.png
    ctolll.png
    12.2 KB · Visitas: 616
Hola alekz
Efectivamente CIN en estrada, se le conecta un switch y COUT es salida se puede conectar un LED.

Recuerda que las entradas A’s y B’s además de las salidas S’s son binarias.
Tienen un valor de:

A1, B1, S1: =1
A2, B2, S2: =2
A3, B3, S3: =4
A4, B4, S4: =8

Al sumar sus valores (De los que sean 1, ciertos) puedes saber los números que se estan sumando o el valor del resultado de la suma.
Si CIN lo haces alto(Lógico 1) es como si sumaras 16.

saludos
a sus ordenes
 

Adjuntos

  • SumadorEnMultisim.jpg
    SumadorEnMultisim.jpg
    150.4 KB · Visitas: 938
pues yo lo que pensaba era hacer un tipo de memoria para retroalimentar las entradas b y que se valla sumando cada que le meta un numero binario de cuatro bits pero aun no encuentro la manera, en las entradas a del sumador meteria los 4 bits
________________________________________________________________

pues soy nuevo en esto de la electrónica y pues lo que ocupo es hacer un sumador en el que solo le entren 4 bits, te los almacene y al momento de meterle otro numero binario de 4 bits te los sume con el que tengas almacenado y te los vuelva a almacenar y asi sucesivamente es estado probando con la 7483 pero no me sale todavía, y pues he pensado en ponerle un display antes de que te almacene el numero para ir viendo la suma
 
Última edición por un moderador:
Amigo, se puede decir que yo tambien soy nuevo en esto pero ya hice este sumador, lo puedes hacer con el 74LS83, te voy a mostrar como lo hice yo. Puedes usar 2 DEEP SWITCHS de 4 entradas, 1 para el primer numero que ingresaras 1011 (ejemplo) y un segundo deepswitch de 4 entradas para el numero que vas a sumar que es 1100 (ejemplo), te voy a mostrar como puedes conectar esto y te pondre a continuacion todos los materiales que utilice, tambien al final de dejare una foto de cada implemento por basico que sea, pero como dices que apenas empiezas es mejor prevenir.
· 2 Deep Switch 4 Entradas.
· 5 Leeds.
· 5 Resistencias 220 Ohm.
· 8 Resistencias 2.2 KOhm.
· 1 Circuito Logica 74LS83.
· Protoboard.

Colocamos los 2 deepswtich donde desees puedes colocar uno a mano izquierda y otro a mano derecha para dejar el 74LS83 en la mitad, Despues de colocarlos polarizamos los deepswitch a +V (5V) y a tierra con las 8 resistencias de 2.2kOhms, ahora instalamos el 74LS83 ypolarizamos pin 5 +V (5V) y pin 12 a tierra.
Ahora conectamos el deepswitch derecho en el siguiente orden.
PIN 10 con el switch de menor peso del deepswitch por lo general el de la derecha que seria el que vale 1 (2^0 dos a la cero)
PIN 8 con el segundo switch de derecha a izquierda que seria el que vale 2 (2^1 dos a la uno)
PIN 3 con el tercer switch de derecha a izquierda que seria el que vale 4 (2^2 dos a la dos)
PIN 1 con el switch de mayor peso del deepswitch por lo general el de la derecha que seria el que vale 8 (2^3 dos a la tres)

Ahora conectamos el deepswitch izquierdo en el siguiente orden.
PIN 11 con el switch de menor peso del deepswitch por lo general el de la derecha que seria el que vale 1 (2^0 dos a la cero)
PIN 7 con el segundo switch de derecha a izquierda que seria el que vale 2 (2^1 dos a la uno)
PIN 4 con el tercer switch de derecha a izquierda que seria el que vale 4 (2^2 dos a la dos)
PIN 16 con el switch de mayor peso del deepswitch por lo general el de la derecha que seria el que vale 8 (2^3 dos a la tres)

Despues conectas los leeds bien polarizados y las resistencias de 220Ohm directamente a las salidas de 7483 o si quieres las dejas conectadas a la protoboard y despues con cable las salidas las sacas a las resistencias que estan conectadas al leed.

A continuacion vienen las salidas
PIN 9 Es 2^0 = 1 que iria conectada al primer leed de derecha a izquierda.
PIN 6 Es 2^1 = 2 que iria conectada al segundo leed de derecha a izquierda.
PIN 2 Es 2^2 = 4 que iria conectada al tercer leed de derecha a izquierda.
PIN 15 Es 2^3 = 8 que iria conectada al cuarto leed de derecha a izquierda.
PIN 14 Es el carry es decir la unidad que se lleva por si la suma queda asi (ejemplo):
1011 1+1 = 0 y llevo 1 1+1+0 = 0 y llevo 1
1001 1+0+0 = 1 y no llevo como no llevo no sumo el 1 de mas 1+1= 1 llevo 1
0100 <------ Esta seria la suma en 4 bits porque el quinto es el que lleva es decir el CARRY
Asi que el PIN 15 se conecta al leed de mas peso al quinto.

Eso es todo espero te ayude en algo...
Si necesitas meter un CARRY de entrada solo conectalo al PIN 13 y debes meter otro deepswitch para poder activar el carry, pero para que te asegures que el carry de entrada no sea un 1 mandalo a tierra mejor, espero te haya servido para algo.

LEED: http://es.emcelettronica.com/files/u5152/drivind-led.jpg
DEEPSWITCH: http://www.electronicagonzalez.com/img_constantes/productos/DIPES.jpg
RESISTENCIAS: http://www.msebilbao.com/tienda/images/30R1CXXX.jpg
74LS83: http://therealalchemist.altervista.org/calcolatrice/74ls83.jpg
PROTOBOARD: http://pablohoffman.com/twiki/pub/Oscusb/DocCap08Fabricacion/protoboard.JPG
 
marquizto dijo:
para todos los nuevos existen programas de simulacion donde puedes realizar tu diseño y despues una fotito, y queda mucho mas amigable a la vista :) y menos trabajo tambien. y mejor no opino nada mas :/.

Pues no lo se, creo que es mejor dar todos los detalles sabiendo que esta empezando, pero me gustaria saber que programas hay yo solo conozco uno que es de un cocodrilo no recuerdo muy bien el nombre espero me puedas ayudar :D
 
pues yo lo que pensaba era hacer un tipo de memoria para retroalimentar las entradas b y que se valla sumando cada que le meta un numero binario de cuatro bits pero aun no encuentro la manera, en las entradas a del sumador meteria los 4 bits
________________________________________________________________

pues soy nuevo en esto de la electrónica y pues lo que ocupo es hacer un sumador en el que solo le entren 4 bits, te los almacene y al momento de meterle otro numero binario de 4 bits te los sume con el que tengas almacenado y te los vuelva a almacenar y asi sucesivamente es estado probando con la 7483 pero no me sale todavía, y pues he pensado en ponerle un display antes de que te almacene el numero para ir viendo la suma

Esto que has echo se llama "Doble Post", infringe:
Norma del Foro 2.4 No está permitido iniciar dos o más temas con respecto al mismo tópico o asunto, ni publicar dos o más mensajes cuyos contenidos coincidan dentro de un mismo foro o en varios foros. Dichos temas o mensajes publicados podrán ser eliminados o unidos sin aviso previo o posterior.

Normalmente en este caso se eliminan ambos post, en este caso no lo hice debido a las interesantes respuestas que te han dado, pero NO lo repitas
 
Pues, no es que sepa mucho de diseño digital pero este semestre he estado experimentando con el Xilinx, es un simulador muy amigable aunque a ratos se pone complicado. Con el puedes hacer programacion en FPGA lo cual es relativamente sencillo.
Te envio un sumador simple de 4 bits con carry que tengo, funciona bien.
Espero te sirva.
;);)
 

Adjuntos

  • sumador4.rar
    354.6 KB · Visitas: 808
Última edición:
Hola! Yo tengo que hacer un sumador - restador de 7bits... Pero ese circuito ya lo hice... Ahorita lo que no he podido realizar son las salidas a displays... Con 7 bits el número mas grande que puedo representar en 127 ó 1111111 base 2... Entonces ocupo que alguen me ayude a hacer la salida a 3 displays...

Por cierto... ¿Alguen sabe como encapsular un circuito en MultiSim?:confused: :LOL:
 
Hola LxL

Ese número de 7 BIT’s esta en Binario, lo que necesitas es convertirlo a Binario con código Decimal BCD.
A saber existen 4 métodos de convertir Binario a BCD los cuales se mencionar en este enlace:

En Mensaje #55https://www.forosdeelectronica.com/f25/convertir-valores-binarios-bcd-3757/
El más sencillo es el que utiliza una EPROM o ROM o RAM, Una memoria, en donde la dirección es el número binario a convertir y los datos en esa dirección es el número BCD.
Como los datos de salida de la memoria ya están separados en grupos de 4 BIT’s, unidades decenas centenas Etc. Esos grupos se conectan a un decodificador BCD a 7 Segmentos y enseguida los Display’s.

Espero esta información te sirva.

Lo de Multisim: en la ayuda de él viene como hacer lo que estás requiriendo.


saludos
a sus ordenes
 
Muchas Gracias... La informacion me sirvio bastante... Pero lo no puedo usar PICs, nada programable... Adjunto una imagen del circuito q tengo, pero es de 4 bits, el numero decimal mas grande que puede desplegar en los displays es 15...
Pero yo necesito q sea un numero decimal d 7 bits, osea, del 0 al 127...
DobleDisplay.png


Tengo ese circuito, pero nose como hacer para que en lugar d 4 bits sea a 7 bits...
 
Hola LxL

Una pregunta: Cómo le haces, para que con el circuito que adjuntaste, Reste?
Y que sume también?
Ese circuito los que hace es convertir el número que programes en el grupo de Dip-Switch, en este caso es 13 porque está programado el 8, 4, 1 = 13. esto es suma el valor de los 4 BIT’s.

Hay varios sumadores-restadores por aquí pero creo que no hay de 7 BIT’s como lo estás requiriendo.
Se puede decir que todos ellos suman o restan 4 BIT’s a otros 4 BIT’s en total serían 8 BIT’s.
Ve se te sirven los sumador-restador que aparecen en los mensajes: #1, #4, #18 de este mismo tema.
En otros temas similares.

Unos están desarrollados con el SoftWare CircutMaker otros Con LiveWire, si no tienes esos SoftWare’s los puedes bajar he instalar en tu PC.

Si encuentras un Sumador-Restador que te satisfaga pero no sabes como modificarlo te puedo ayudar a hacerlo.

saludos
a sus ordenes
 
:LOL: No! Yo se que ese circuito no suma ni resta... El circuito Sumador-Restador ya lo tengo... Pero estoy trabajando por aparte el del despliegue a los displays por aparte para luego no dañar el otro que me funciona bien...

Hay el Dip-Switch funciona como la respuesta de Sumador-Restador pero de 4-btis... Ese circuito funciona bien pero su rango es de 0 - 15 decimal x ser d 4bits...

Yo me tengo que basar en ese circuito para hacer que llegue a desplegar del 0 - 127...

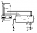
Por cierto... Voy adjuntar la imagen y el archivo del Sumador-Restador de 7bits que hice.. Esta hecho en MultiSim y LiveWire... Si alguien le encuentra un error... Me lo dice... Ya lo he probado con toda combinacion y funciona bien...
Este circuito muestra el resultado en leds, eso es porque aun no he logrado realizar el circuito para desplegarlo a display, en este caso como es de 7-bits, se ocupan 3 displays porque su rango es de 0 - 127.
Sumador.png
 

Adjuntos

  • Sumador-Restaor 7-bits.zip
    311.3 KB · Visitas: 679
Última edición:
hola amigos lo que tengo un pequeño problema me podrian ayudar se los agradeceria
lo que pasa es que e estado tratando de hacer un sumador de 2 numeros de 4 bits cada uno y que aparesca en 2 display pero no se como alguien me podria pasar un diagrama por favor
 
lo que pasa es que tengo uno pero cuando lo simulo no funciona los numeros no los marca complatos y ademas son erroneos

ahora bien encontre uno pero la salida la tengo en un led y la quisiera pasar a 2 display
 
Última edición:
Y en que simulador lo estar realizando...
Es recuerde que el decodificador recibe un numero en BCD... Entonces lo que hay q hace es covertir los 4 0 5bits a BCD y luego cada uno se va a un decodificardor...

Pero dime en cual simulador lo esta realizando, yo tengo uno en MultiSim, no se si te servira...
 
Atrás
Arriba