Si tu PC tiene tarjeta de sonido con algún software..y con un poco de hardware...puedes "ver" el ultrasonido...
de cuantos ??khz hablamos??
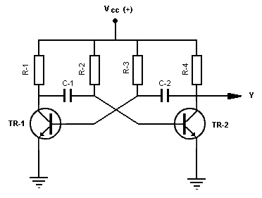
Si BKAR, siempre lo quise armar pero nunca me anduvo. Pero ahora no tengo tiempo para probar, si funciona en los simuladores ya lo paso a plaqueta.
Solo necesito algun oscilador simple de >20KHz a 40KHz que se pueda alimentar con una o dos pilas/baterias de 1.5v. ¿Alguien sabe de alguno que funcione?
Parece que no es tan fácil porque mucho se ha hablado de este oscilador pero no hay muchas graficas, ejemplos, etc.
Saludos y gracias!!

