Hola amigos un saludo desde la ciudad de Medellin (Colombia).
Foreros aprovecho este espacio para compartir con ustedes mi re-diseño del Pickit 2 Clone, trabaje a partir del material propuesto por el amigo Suky.
Esta version "PICKIT2_GATOX" soporta microcontroladores PIC de 5v y de 3.3v.
Antes de proseguir quiero realizar las siguientes observaciones:
A) son varios a los que les a pasado que a la hora de ensamblar su Clone y conectarlo al PC les sale el siguiente error:
"Pickit 2 VPP Voltage error. Check target and retry operation."
Quiero compartir 2 posibles causas del error y como solucionarlo.
1- El nivel VPP no alcanza a tener una tension de aprox 5v (basta con que sea mayor que 4.5v) y por eso aparece el error, esto pasa porque normalmente usan un Diodo "1n4148" (mi diseño es D4) que va de los 5v del USB al conector ISCP, este diodo puede tumbarle un nivel de voltaje aproximado a los 0.7v repercutiendo en que VPP sea de 4.3v y no de 5v (>= 4.5). Para solucionar esto debemos usar un diodo "1n5817" o si no disponemos de este, existe la posiblidad de omitir el diodo y reemplazarlo por un simple alambre (puede que no sea muy recomendable, pero si estamos seguros de que nuestro impreso esta perfecto y libre de cortos, tranquilamente podemos realizar este procedimiento, pues garantizamos un VPP de 5V).
2- Problema del transistor "Q1" (NPN) que tiene en su colector la bobina de 680uH, por favor verificar que este en verdad se sature cuando "VPP_PUMP" este en alto "1".
Cuando VPP_PUMP este en bajo en el colector debe haber aprox 5v (gracias a que las bobinas estan en PULL_UP), cuando VPP_PUMP esta en alto el transistor tiene que saturarse y el colector pasar a un nivel de tension aproximadamente de 1V...... si NO tienen este comportamiento por favor cambiar de transistor.
B) Muchos se han encontrado con el inconveniente de la famosa bobiba de 680uH, pues no disponen de ella y se les hace muy dificil o imposible encontrarla en el mercado, es por ello que hay que recurrir a realizar un arreglo de bobinas ya sea en serie o en paralelo para tener un valor proximo, lo recomendable es que este arreglo no exceda mas de 100uH ni por encima ni por debajo, osea que L este entre 580uH y 780uH.
Para esto e notado que las bobinas de 1mH son muy comerciales almenos en mi pais, pueden usar 2 de estas en paralelo (nuevo valor 500uH) y una de 100uH en serie (se encuentrar facil en board de pc viejos o televisores) y asi obtener una L de 600uH.
***Todo lo anterior son solo recomendaciones que le hago gracias a la experiencia que adquiri a partir de la construccion de mi Pickit2,, las hago porque quizas a algunos de ustedes les pueda ser util, sino por favor hacer caso omiso de ello***
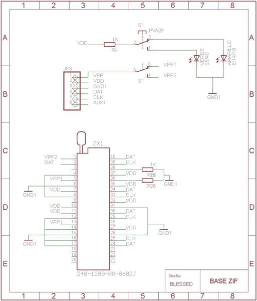
ACONTINUACION adjunto imagenes y fotos de mi proyecto, tambien el archivo "PICKIT2_GATOX.RAR" donde encontraran fuera de estas imagenes los archivos diseñados en "Eagle 5.6.0" entre otras cosas, para que hagan uso de ello.
Foreros aprovecho este espacio para compartir con ustedes mi re-diseño del Pickit 2 Clone, trabaje a partir del material propuesto por el amigo Suky.
Esta version "PICKIT2_GATOX" soporta microcontroladores PIC de 5v y de 3.3v.
Antes de proseguir quiero realizar las siguientes observaciones:
A) son varios a los que les a pasado que a la hora de ensamblar su Clone y conectarlo al PC les sale el siguiente error:
"Pickit 2 VPP Voltage error. Check target and retry operation."
Quiero compartir 2 posibles causas del error y como solucionarlo.
1- El nivel VPP no alcanza a tener una tension de aprox 5v (basta con que sea mayor que 4.5v) y por eso aparece el error, esto pasa porque normalmente usan un Diodo "1n4148" (mi diseño es D4) que va de los 5v del USB al conector ISCP, este diodo puede tumbarle un nivel de voltaje aproximado a los 0.7v repercutiendo en que VPP sea de 4.3v y no de 5v (>= 4.5). Para solucionar esto debemos usar un diodo "1n5817" o si no disponemos de este, existe la posiblidad de omitir el diodo y reemplazarlo por un simple alambre (puede que no sea muy recomendable, pero si estamos seguros de que nuestro impreso esta perfecto y libre de cortos, tranquilamente podemos realizar este procedimiento, pues garantizamos un VPP de 5V).
2- Problema del transistor "Q1" (NPN) que tiene en su colector la bobina de 680uH, por favor verificar que este en verdad se sature cuando "VPP_PUMP" este en alto "1".
Cuando VPP_PUMP este en bajo en el colector debe haber aprox 5v (gracias a que las bobinas estan en PULL_UP), cuando VPP_PUMP esta en alto el transistor tiene que saturarse y el colector pasar a un nivel de tension aproximadamente de 1V...... si NO tienen este comportamiento por favor cambiar de transistor.
B) Muchos se han encontrado con el inconveniente de la famosa bobiba de 680uH, pues no disponen de ella y se les hace muy dificil o imposible encontrarla en el mercado, es por ello que hay que recurrir a realizar un arreglo de bobinas ya sea en serie o en paralelo para tener un valor proximo, lo recomendable es que este arreglo no exceda mas de 100uH ni por encima ni por debajo, osea que L este entre 580uH y 780uH.
Para esto e notado que las bobinas de 1mH son muy comerciales almenos en mi pais, pueden usar 2 de estas en paralelo (nuevo valor 500uH) y una de 100uH en serie (se encuentrar facil en board de pc viejos o televisores) y asi obtener una L de 600uH.
***Todo lo anterior son solo recomendaciones que le hago gracias a la experiencia que adquiri a partir de la construccion de mi Pickit2,, las hago porque quizas a algunos de ustedes les pueda ser util, sino por favor hacer caso omiso de ello***
ACONTINUACION adjunto imagenes y fotos de mi proyecto, tambien el archivo "PICKIT2_GATOX.RAR" donde encontraran fuera de estas imagenes los archivos diseñados en "Eagle 5.6.0" entre otras cosas, para que hagan uso de ello.
Adjuntos
Última edición: