Banner publicitario de PCBWay

¿Resistencia entre altavoces de diferentes potencias?

Lo del control de balance es una buena idea, Dr. el problema es que "todo el mundo mete mano" y necesitaría asegurarme de que cumplan esa recomendacion, cosa que no sucederá en la mayor parte de los casos.
Pero esa idea cuesta 0$ y si no regulan el balance se va a escuchar "pal pomo".
Si todas las diferencias de nivel entre zonas fueran fijas y estables, se puede hacer algo a nivel de línea con muy poca plata y a prueba de bobos, pero como no es asi, la única que queda es que meta mano uno solo para girar las perillas de volumen y balance, y que los demás se metan los deditos en donde la espalda pierde su santo nombre, a.k.a. OGT.
 
Gracias mil a todos por los aportes. Estamos lidiando con varios problemas que no dependen del foro, obviamente, como la falta de presupuesto y la falta de personas encargadas de manejar los equipos. Creo que estudaré ambas soluciones, primero: reemplazo de los parlantes siniestrados; luego, colocación de unas resistencias, estudiaré también si es posible adaptar un amplificador aparte para la sala lo cual se dificulta por la disponibilidad, costos y porque ambos controles de volumen deberían estar de alguna manera vinculados para que la cosa funcione como la gente está ACOSTUMBRADA. Y esa es la cuestión más delicada, pero excede los límites de este posteo.
 
Menudo problema tenes .... especialmente el "humano" , a los toquetones la unica forma de encauzarlos es con apremios ilegales!
Respecto a lo otro , hay que tener mucho cuidado con las impedancias!! --> estas a punto de volar un amplificador .
Lo mas economico ( NADA es gratis ) como dijo @Dr. Zoidberg es separar con amplificadores distintos ... hay etapas muy economicas si la pretencion no es grande . Faltaria un splitter para no conectar los amplificadores en paralelo .
 
Buenos días. Tengo que resolver una problemática que se produce cuando a alguien se le ocurre agregar un parlante más a una cadena de audio.
El problema es el siguiente: hay un aula dividida en tres ambientes: un estudio de radio, el control del mismo y una sala.
En estos dos últimos compartimientos tenemos parlantes cconectados según esquema adjunto.
Los datos de los parlantes son:
Modelo ADX 4060W. Potencia 60 W RMS. Woofer de 4", rango medio de 2" y Tweeter piezoeléctrico de 1". Marca: varias marcas entre las cuales está Moon fabrican el mismo tipo de parlante usando el mismo chasis plástico y en el lugar están puestos algunos Moon y otros de otra marca
El problema es cuando se necesitó sonorizar un patio, el cual tiene un bafle de alrededor de 15", o quizás más, el cual está inaccesible en un perfil alto del edificio y por eso no puedo brindar más datos.
Allí se conectó el último parlante, identificado como Altavoz Patio en el esquema, a través de una llave que habilita la salida por este bafle desconectando los demás parlantes asignados al canal.
El problema es que, al subir el volumen en la sala, algunos de los parlantes de menor potencia que están conectados al otro canal se abren (especialmente el woofer) además de que la saturación que se oye es notoria. Naturalmente se necesita que el sonido fluya tanto en la sala del aula como en el patio pero a la vez, proteger los parlantes de los efectos del exceso de potencia
Pensaba usar una resistencia en serie para alimentar todo el sistema para cuando, al conectar el bafle del patio, los demás parlantes más pequeños no reciban toda la potencia que se envía a aquel.
Candidatas: lámparas de auto de 5-21 Watt con una resistencia de 1.6 Ohms. Resistencias cerámicas de 1 Ohm 10 Watt que tengo unas cuantas.
Sin embargo tengo dudas sobre el funcionamiento de este esquema, ayer probé con un amplificador en casa (100 Watt por canal) y no noté disminución apreciable del sonido con esa lámpara conectada en serie a la salida del parlante.
Perdonen las imprecisiones, son los datos que tengo y coloqué esta pregunta aquí siguiendo la normativa del foro.
Gracias desde ya.

Para intentar dar una respuesta, es necesario contar con más datos.

Entre los datos que no veo, está la impedancia de cada uno de los parlantes (o bafles, según sea el caso); la impedancia mínima a la cual podría emplearse cada canal del amplificador; si ambos canales se excitan desde una misma señal (monofónico) o desde señales independientes (estereofónico), en cuyo último caso saber si es necesario mantener encausada cada señal a cada canal particular. También es necesario conocer cómo es que está físicamente implementado el cableado a cada parlante / bafle, ya que desde el esquema es difícil discernir si existe algún tramo compartido de conductores.

Por lo pronto, por razones de presiones sonoras relativas entre los distintos espacios, el parlante de patio debería excitarse tal como se muestra en el canal B, pero varios de los otros parlantes / bafles de menor admisión de potencia están también en paralelo a las salidas, lo cual no solo pone en riesgo al amplificador, sino que también hace que reciban mayor potencia de la que puedan naturalmente soportar. Ese modo actual de conexión podría explicar en parte la saturación que parece existir, producto de operar en exceso de carga algún canal particular del amplificador o ambos. Incluso, una saturación excesiva pone en riesgo aún parlantes con sobrada admisión de potencia, por acción del contenido espectral del recorte de señal.

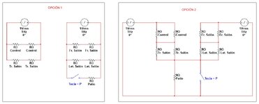
Es probable, que no sea necesaria inversión alguna, salvo reparar lo ya estropeado por operar al sistema tal como está. Creo que una posibilidad sería evaluar interconectar en serie los parlantes interiores (de a 2 en 2, si se permite), e ir conectando y distribuyendo entre canales de a grupos de a 2, considerando al parlante del patio como un único elemento dispuesto en paralelo a alguna de las series de parlantes de interior. Es decir, si las impedancias lo permiten, quedarían 4 series de a 2 parlantes / bafles cada una, dispuestas de a 2 por canal (en paralelo las dos series), con el parlante de patio puesto en paralelo en uno de los dos canales. Para poner un ejemplo: si todos los parlantes son de 8 ohmios, quedaría un canal cargado con 8 ohmios (resultante de 2 series de 16 ohmios cada una, puestas en paralelo) y otro canal operando en 4 ohmios (resultante de 2 series de 16 ohmios cada una, el parlante de patio de 8 ohmios, puestos todos en paralelo).

Tener presente que, si el cable es de tipo paralelo y, si no se cuenta con presupuesto y aunque no sea técnicamente lo más admitido, podría abrirse el cable paralelo para llegar a los puntos de interés, estipulando que puedan conectarse parlantes / bafles en serie de a grupos de a dos. Con esto quiero decir que podría llegar a completarse las distancias necesarias con el cable ya disponible.

Otra cosa que es importante conocer es si el amplificador admite que los polos de sus salidas marcadas con (-) puedan unirse entre sí o no. De ser posible, daría pie a otro modo de conexión, donde el parlante de patio podría "alimentarse" desde ambos canales en una conexión a modo de Y, donde en la "pierna" inferior de la Y iría el parlante de patio y en las "piernas" superiores de la Y irían los otros grupos de parlantes (4 por "pierna" superior). De este modo, podrían asociarse los parlantes, para que el del patio reciba la mayor potencia (con un interruptor en paralelo para desligarlo cuando sea necesario). Desde los extremos de las piernas superiores de la Y se aplicarían los (+) de cada canal respectivo. En el extremo inferior de la pierna inferior de la Y se aplicarían los (-) unidos.
 
Última edición:
Subo un esquemático para aclarar mi propuesta:

Parlantes.jpg

Tener presente que las opciones serán posibles dependiendo de un montón de parámetros que deberán verificarse y que dejo aclarado. Tener presente, además, que en la opción 2 pueden evitarse los puentes intermedios horizontales entre los parlantes de menor admisión de potencia, siempre que se agrupen según mismo tipo de parlantes (porque en caso de mezclar parlantes muy diferentes por cada serie, podría provocar alguna alteración en la respuesta en frecuencia de alguno o varios de ellos). Se puede tener presente asociar en las series los parlantes que sean del mismo "juego" en la medida de lo posible, por lo anterior aclarado de la respuesta en frecuencia.
 
Última edición:
Atrás
Arriba