http://kaizerpowerelectronics.dk/high-voltage/mazilli-zvs-flyback-driver/
Esa es la página original, no discutan hombre.
Esa es la página original, no discutan hombre.
Follow along with the video below to see how to install our site as a web app on your home screen.
Nota: This feature currently requires accessing the site using the built-in Safari browser.
Es una mentira lo que aparece en el video
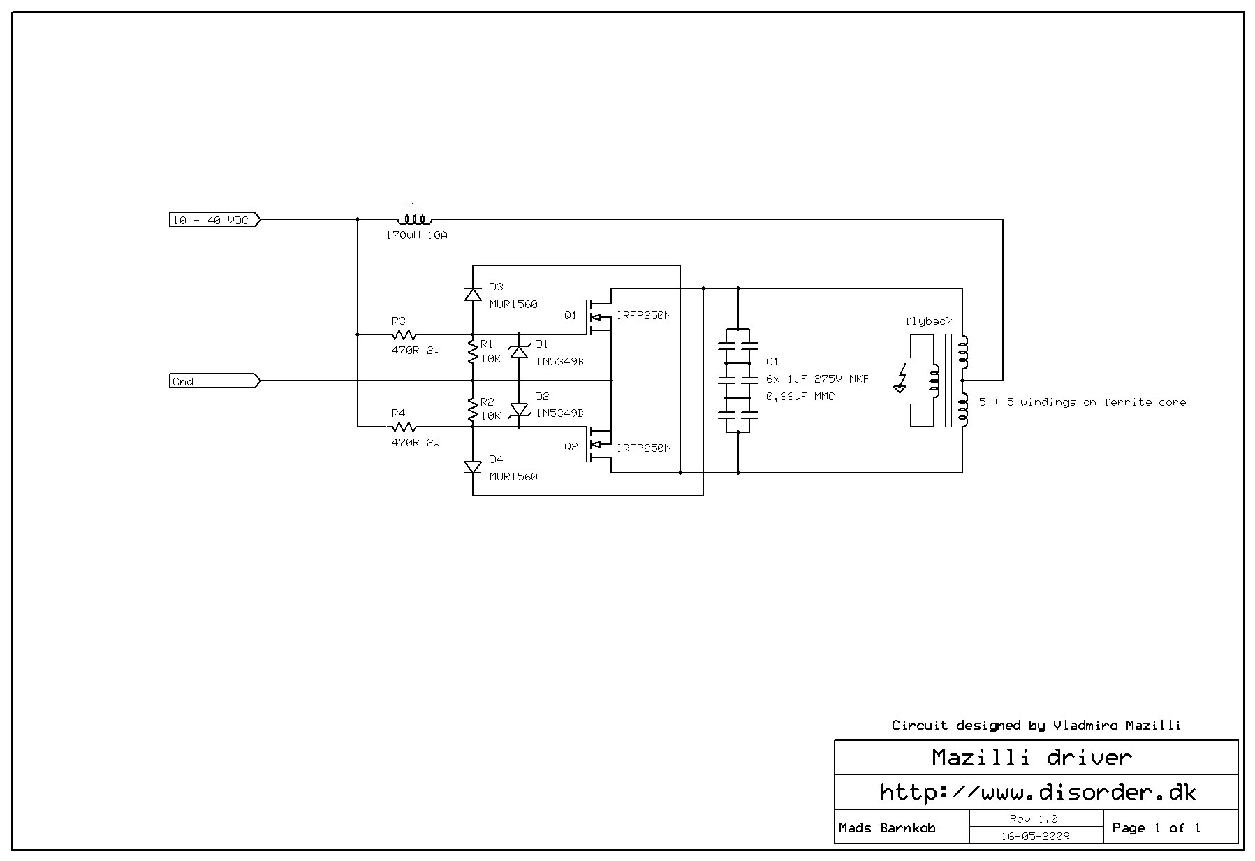
de que solo al conectar esos dos devanados como se ve en la imagen, jamas provocaría algo en el flyback
Las conexiones se realizan en los devanados del flyback(recuadro azul), como lo explica en el anterior enlace que que puse +B.
la salida en amarillo
solo se usa el IC 555 para armar el oscilador y el driver es el transistor que mencionas para manejar la corriente en el enlace que te comento viene explicado como debes hacerlo es la figura 1-B.
y da una explicación de como debes trabajarlo puedes omitir el amperimetro y lo armas y debe funcionar.
pues eso es básicamente, sino esperemos que alguien del foro confirme lo que te digo no vaya ser, que este equivocado jeje
8)
suerT
Te recomiendo que visites este post nano24
https://www.forosdeelectronica.com/f21/flyback-totalmente-casero-22001/
Hay mucha información sobre drivers para flybacks![]()
Nano24, el mismo usuario al que citas 2 posts después dijo que si era verdad y que se había equivocado, a ver si leemos más...
Si quieres "chispas" más bien arcos monta el ZVS driver que es el mejor con diferencia y funciona con 5+5 espiras.
Hola, ese olor es ozono, se forma con las descargas de alto voltaje, no es muy peligroso si no lo respiras horas y horas, además reacciona rápido con el oxígeno del aire y se descompone.
Más info: http://es.wikipedia.org/wiki/Ozono
Saludos
Mi casa siempre esta infestada de ese olor cuando uso el flyback y cuando entra alguien a mi cuarto dice "¡QUE OLOR!" jajaja![]()
Aca les dejos los videos prometidos del flyback modificado con los dos capacitores. Y quiero aclarar un error mio, el otro modelo yo dije que estaba alimentado con 21VCC por me equivoque, viendo el video me doy cuenta por las conexiones del transformador que estaba a 42VCC al igual que ahora.
Disculpen la calidad de los videos, en esta ocación estan grabados con una camara digital de medio pelo jaja.
http://www.youtube.com/user/gaunamati#p/a/u/2/yboRWx7xw4Y
http://www.youtube.com/user/gaunamati#p/a/u/1/QERbMWe3GTw
http://www.youtube.com/user/gaunamati#p/a/u/0/BZLyaOLg32c
El sonido tambien es despreciable. Tiene una especie de interferencia generada por la camara como un gotero muy veloz o algo asijajaja. Igualmente espero que les guste
![]()
Ese es el peor circuito que existe para hacer chispas con un flyback.
Funciona, pero bastante mal.
Sé que video dices.Pero no sé que configuracion usa para conseguir unos arcos tan similares como los que hace el zvs driver.Yo use uno con un NE555 mas un potenciometro para graduar la frecuencia, pero que vaaaa no entiendo por que la chispa sale tan pequeña de solo 2cm, no sale como los que he visto en Internet un arco eléctrico sumamente grande.
y eso que el flyback es de monitor

Sé que video dices.Pero no sé que configuracion usa para conseguir unos arcos tan similares como los que hace el zvs driver.
Eso no tiene ninguna relación.
Que el flyback sea de un monitor no significa que los arcos sean más pequeños.Todos dan aproximadamente la misma tensión de salida, sean de monitor o de una tv.Ahora, eso depende del circuito que uses..
Lo que pasa es que el 555 tiene muy poca intensidad y a veces el MOSFET que excita al primario trabaja en modo lineal por culpa del 555 o algo así y el rendimiento es muy bajo.
Igual no me hagan mucho caso, lo leí por ahí![]()
Esto es lo que tienes que hacerle, montar este driver.
![]()
Como puedes ver unos mensajes más atrás, obtuve buenos resultados, como todo el mundo con ese driver.
Saludos