Banner publicitario de PCBWay

Duda con simulacion de PWM para NE555

Duda con simulacion de PWM para NE555

Buenos días a todos, tengo la siguiente consulta, quizá me puedan orientar. Necesito saber si es posible simular un elevador de corriente con NE555, en configuracion PWM. Según el diagrama que se me indicó, debería de funcionar. Yo primero intenté simularlo para luego comprar las piezas necesarias y armarlo, pero quiero estar segura de que funcione.

Historia:
Necesito obtener 8 voltios de 5 voltios DC, Resulta que tengo un dispositivo que se conecta por medio del puerto MicroUSB y este dispositivo carga con un circuito, las baterías de iones de Litio, ahí todo bien, el inconveniente que tengo es que este circuito enciende una serie de luces LED a un total de 8 voltios con máximo de 1 amperio. el dispositivo es portátil por eso emplea una batería interna, se enciende y se apaga con un boton pulsador. Bien, el problema es que no tengo acceso a comprar un elevador de corriente barato, entonces alguien me sugirió que empleara un NE555 como elevador de corriente en configuración PWM y hasta el momento con mi poca base sobre PWM en los NE555... no me ha funcionado.

Les explico un poco de que trata el circuito que me proporcionaron y me lo explicaron:
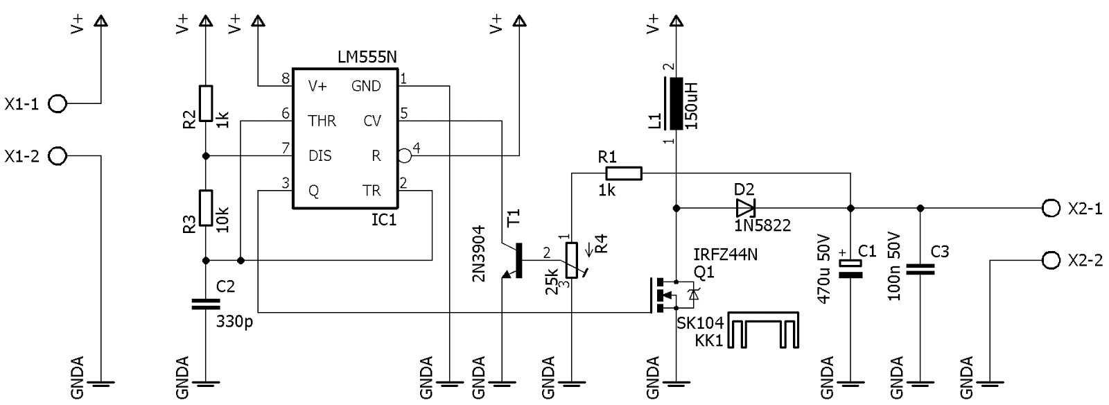
Esta configuración 555 creará una señal PWM y la aplicará a la compuerta MOSFET. La salida cambiará si cambiamos la carga de salida porque el circuito no tiene retroalimentación. Con el potenciómetro P1 podemos cambiar el ciclo de trabajo de la señal PWM, y al mismo tiempo el valor de salida. Para el MOSFET puede usar el mosfet de canal P IRF4905.

Entonces simulando en Proteus 8.3 SP2... No me varía en absoluto... ¿Tienen alguna sugerencia o idea al respecto? Adjunto el archivo y el diagrama...
Por su atención, muchas gracias.

Screenshot_1.png
 

Adjuntos

  • Last Loaded Espejo con LED.rar
    18.8 KB · Visitas: 52
10k para manejar el Gate ? :oops: :rolleyes: :sneaky: (n)

Schematic.png

DC to DC buck converter circuit homemade arduino


bWQlb.png

[Solucionado] Temporizador 555 boost converter ' t cumplir | interruptor-de-modo-de-fuente-de-alimentación
 
A parte de una pésima traducción a español por parte de Google Translate, No entiendo tu respuesta, quizá mi conocimiento no es tan amplio como el tuyo mi estimado dosmetros, un diagrama que creo que es ese el original con el 555, y un enlace que no entiendo por la mala traducción no es una respuesta que considero acertada.

Básicamente el enlace que me indicas, no responde mis preguntas, hablo de simulación, hablo de eficiencia y funcionamiento para elevar la corriente de 5 voltios que tiene de entrada y que me alimente una tira de LEDs cuyo consumo es de 8 voltios a 1 amperio. Sin emplear micros y en el ejemplo que indicas, leo que la salida es de 170 voltios en ese enlace. por cierto, mal traducido.

Básicamente estoy en las mismas, lamento decepcionarte, mis preguntas no fueron respondidas, el aporte que me proporcionas no lo entiendo.

Si pudieras explicarme mis dudas te lo agradecería mucho.
---
AL momento de simular el circuito, corrigiendo la resistencia "10K" por el diagrama que me proporcionaste, sigue sin variar el voltímetro.
 
Una resistencia de 10k es un poco alta para encender y apagar el mosfet, los conversores DC-DC de baja potencia son muy economicos cerca de 5mil pesos colombianos, te saldria casi al mismo precio que hacerlo con el 555 y mas elegante ;)
 

Adjuntos

  • convertidor-dc-dc-boost-xl6009.jpg
    convertidor-dc-dc-boost-xl6009.jpg
    106.5 KB · Visitas: 9
Una resistencia de 10k es un poco alta para encender y apagar el mosfet, los conversores DC-DC de baja potencia son muy economicos cerca de 5mil pesos colombianos, te saldria casi al mismo precio que hacerlo con el 555 y mas elegante ;)
Gracias por la información mi amigo, le bajé la resistencia a 47 Ohmios, con el diagrama proporcionado por el moderador, pero la simulación quedo igual, con el multimetro en las salidas no veo que el voltaje se eleve a más de 5 voltios, mi idea es encender una tira de leds que consume 8 voltios de 500mA a 1 amperio máximo. Probé con 9 voltios perofue demasiado el brillo y no quiero quemar los LEDs.

Usa un adaptador de teléfono de 5 voltios con uan entrada de microUSB, pero se daño la etapa de potencia de ese dispositivo, el cual elevaba la corriente a 8.2 voltios según los test points de esa placa dañada entonces me surgió la duda de hacer un circuito PWM con un timer 555 para ajustar la corriente a esos 8 voltios de los 5 voltios que emplea el adaptador de carga de teléfono...
 
La R de 47ohm no es para que aumente el voltaje de salida, es para mejorar el encendido del mosfet. aca hay un circuito creo es el mismo que posteo dos metros y un video del funcionamiento aunque 200khz para esta smps me parece un poco alto
 
Por lo que entiendo, quieres obtener 8V/1A desde un puerto USB?
Eso quiere decir que se necesitan quizás 2A!!! para obtener 8W.
Debes utilizar la 2da. configuración de fuente Boost que publicó DOSMETROS, ya que esa permite elevar la tensión.
 
Última edición:
Si puedes usar dos baterias, úsalas y limita la tensión de salida o la corriente según cómo esté configurada tu tira de leds.
 
Gracias por responder, En serio gracias!!

Gudino Roberto duberlin
No tanto 1 amperio, eso es lo máximo que puedo necesitar, el consumo es para LEDs así que dudo que consuman tanto, supondría 500mA nominal y para usar el segundo circuito, requiere de 9 voltios, pero este dispositivo usa sólo 5 voltios.

Scooter
No mi amigo, no puedo usar dos baterías, se requiere de 5 voltios y por eso necesitaba simular el circuito pero no me esta funcionando y quisier saber si alguien pudo simularlo para dame alguna luz...

DOSMETROS
Le puse el Osciloscopio virtual y no obtengo mediciones, creo que lo estoy emulando mal.

hell_fish
Tendré que simular este nuevo circuito que indica el del video...
Sería este circuito...


555%2BSMPS%2BSCH.png
 
Entiendo que requieras 1A para la carga.
Pero cómo la fuente provee 5V, necesitas 2A para obtener 8V/1A. Y no conozco puertos USB que provean esa corriente, salvo que utilices dos o más para conseguir la corriente necesaria.
Es una cuestión de la ley de conservación de la energía. La potencia obtenida será algo menor de la suministrada.
 
Tu 1er. circuito es tipología Buck no puede elevar, el 2do. circuito que propone DOSMETROS es tipología Boost, te permite elevar la tensión a tus requerimientos.
Tengo Proteus, pero no me fío de la simulación para sistemas análogos, yo lo utilizo para lógica y microcontroladores.
 
Yo me fío poco de los simuladores.

En todo caso no usaría un 555 , usaría uno específicamente diseñado para esa función.
 
Jamas te funcionara por que los pines 6 y 2 del NE555 van unidos y a la unión del capacitor(C1) con el potenciómetro(RV2) y en tu simulación esta "flotante".

Debes empezar por copiar como corresponde y analizar lo que ves por que si no vas a dar vueltas un rato largo.

Las salidas USB tienen limitación de 5V a 500mA generalmente por lo que solo dispones de 5x0.5=2.5W, si deseas elevarlos a 8V, tendras disponible menos de 2.5/8=0.3125A o sea 300mA como máximo y con un circuito que no pierda casi nada en el proceso(no conozco de la existencia de tal cosa)
 
15 post y nadie se fijo en el error del esquema? eso da una pauta de como leen o como analizan lo que ven.
Es entendible la queja del forista, porque no se respondía su pregunta.
Recien en el post 15 se le responde lo que necesita, no funciona porque falta una conección entre la unión de los pines 6 y dos y el cursor del preset de ajuste.
Obvio asi no funcionaría nunca
 
Bueno, actualizo el dato... Hace unas horas me puse a ver como podría hacerlo. Tome el principio del "Ladrón de Joule" y algunas bobinas que modifiqué para lograr con pocos miliamperios, lo nominal de 350mA de consumo hasta un consumo de 150mA para entregar de original 9.5 a 10.2 voltios que regulé con un potenciómetro.

El inconveniente primario era encender con un solo pulsador el circuito, se uso el NE555 en modo biestable. Luego de lograr hacerlo, crear un "Booster" como le llaman en inglés en modo "Booster Step-Up" Reforzador Elevador paso a paso (mas o menos eso en español) y luego unir ambos circuitos con la misma corriente eléctrica que proporcionan los cargadores de teléfono (+5Vcc)

Había confundido el famoso método de BUCK (reductor por decirlo así en español) en vez del método del ladrón de Joule combinado con el método Booster Step-Up para regular la corriente eléctrica al voltaje deseado.

Les subo fotografías resultantes y el diagrama que hice. Si alguien necesita el diagrama o detalles de la bobina, pueden escribirme.
Gracias a todos los que me colaboraron y me orientaron. @pandacba, Te agradezco por tu amistad.

Diagrama:
03.png


Bobina:
Con la bobina Tuve inconvenientes, conseguí una bobina de 100uH, pero consumía cerca de 1.2 Amperios y calentaba mucho el Mosfet canal N, Ajustaba a cada momento el potenciómetro pero no lograba estabilizar el brillo y debido a eso, no funcionaba bien el biestable. Entonces busque una bobina de una placa de Monitor CRT viejo y en desuso y lo encontré. No tenia ningún medidor de inductancias de bobinas. Así que lo coloqué y logré que me diera más brillo y bajara el amperaje de consumo a 450mA. Luego de desarmar esa bobina, conté 95 vueltas, así que busqué alambre esmaltado del primario de un transformador que ya no me servía y volví a rebobinar en ese mismo ferrite, con 15 vueltas y alambre más fino. Logré que bajara un poco más el consumo a 350 y salida de 12 voltios sin que calentara el Mosfet N.

Luego de probar bobinas con vueltas distintas, lo dejé así: 125 vueltas de alambre esmaltado sobre un ferrite de 1.5 centímetros de largo.


001.jpg

Consumo de Voltaje y Amperaje
004.jpg


Detalle de los circuitos funcionando:
003.jpg

Funcionamiento General:
002.jpg

Saludos cordiales.
 
Última edición:
Atrás
Arriba