Follow along with the video below to see how to install our site as a web app on your home screen.
Nota: This feature currently requires accessing the site using the built-in Safari browser.
Hell: cortala con esa porquería. El diseño y material tiene un límite que este aparato alcanzó hace raaaatoooo!!
Si lo hacés como diversión...todo OK, pero si pretendés que sobreviva operativamente....te recomiendo tirarlo al c4r4j0 e invertir en uno nuevo.
Vas a lograr la paz interior...
Hell: cortala con esa porquería. El diseño y material tiene un límite que este aparato alcanzó hace raaaatoooo!!
Si lo hacés como diversión...todo OK, pero si pretendés que sobreviva operativamente....te recomiendo tirarlo al c4r4j0 e invertir en uno nuevo.
Vas a lograr la paz interior...
Parece que nuestro excelso Doctor, le dá a usted un muy buen consejo, que yo no me aniñé a sugerírle, por tener un corazón "cobarde".
A cuento de que yo, si compré otros motores y logré la paz interior que el generoza_mente le propone.
Porque el, en cambio, no lo hizo en su momento y pagó el precio por años sin paz y así, le comparte a usted su experiencia personal.
Desculpen ambos mi interferencia en el asunto. Que tengan PAZ( no José C. Paz)







Bueno, compré un motor que figuraba como compatible para el tipo de ventilador a rescatar, y resulta que aunque con las mismas características, tiene un cable menos, queria saber si es posible de adaptar. Y eso que consulte previamente.
Encima no es exactamente el motor de la foto de ML
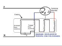
El motor original tiene 5 (negro, azul, rojo, blanco y amarillo, que el último se conecta el capacitor)
Ver el archivo adjunto 333132
Ver el archivo adjunto 333134
El actual motor tiene 4 cables, y el capacitor aparte
Ver el archivo adjunto 333135
Ver el archivo adjunto 333136
mismos colores excepto el blanco
Se le puede sacar esas orejas y atornillarlo a la carcasa como el otro, pero no se como conectarlo adecuadamente
El negativo del enchufe (verde agua, aunque parece celeste en la foto), se contecta al que dice 1
El rojo sale del que dice 1 de otro extremo
El azul sale del que dice 3
El blanco del que dice 2
Rojo, azul y blanco, las tres velocidades
El cable marrón positivo sale el cable amarillo con el capacitor y el cable negro
Ver el archivo adjunto 333137
Sospecho que el amarillo con el capacitor es el que sobra, más que nada dado que el motor ya tiene el capacitor encima.
El de ML tiene 5 cables
Ver el archivo adjunto 333139
Tampoco tiene las orejas de antes
Ver el archivo adjunto 333140
Salvo que compre una llave adecuada, pensando y le pregunte al que la vende como conectarlo

Aqui lo tiene moneda mas , moneda menos.
Midiendo las bobinas con un tester, lo va a saber.
Cuando menor resistencia , mas velocidad. Hemos logrado la paz.
Ver el archivo adjunto 333141


La buena noticia, tengo un tester, la mala, no se como hacerlo
¿Tal cual este video?
A ver, el tipo con el lapiz negro apoya en el cable blanco y luego con el lapiz negro en el cable rojo y mide, por citar un ejemplo, a ver que pruebo
No se como se mide, apoyo el lapiz rojo en el cable rojo y el negro en el otro y no me tira nada ¿me podrian explicar?
Creo que ya lo tengo
Cable rojo en lapiz rojo y cable azul en lapiz negro da 118
Cable rojo en lapiz rojo y cable amarillo en lapiz negro da 259
Cable rojo en lapiz rojo y cable negro en lapiz negro da 072
¿el lapiz rojo en el cable rojo?
El video lo hace en el cable blanco, pero no tengo cable blanco,
Ubique si, que era el las mediciones de Omega mayúscula (antes no)
Ver el archivo adjunto 333145
Recibí esta respuesta
Ver el archivo adjunto 333146
Cable amarillo en lapiz rojo y cable azul en lapiz negro da 378
Cable amarillo en lapiz rojo y cable negro en lapiz negro da 330
Cable amarillo en lapiz rojo y cable rojo en lapiz negro da 259





El video es bueno pero no apunta a su modelo de 4 cables, sino a alguien con criterio para resolver sin lamentarlo.
ESto dijo el, o sea, vuestro vendedor de usted.![]()
Ya esta andando, ya fue probado.
Ver el archivo adjunto 333177
Puse el capacitor por delante, para cambiarlo
es de 2UF, por uno de 2.5UF (no se debe sobrepasar el 50% UF)
Ver el archivo adjunto 333179
A volar las orejas nomás (no fue fácil, estaban muy apretadas), pero sin ellas, pude ajustar el motor a la carcasa, con ellas, imposible, y el motor no puede quedar suelto
Ver el archivo adjunto 333180
Fue bueno haberlo juntado, dado que incluso con el motor descompuesto llego a servir, ya que el eje de 8mm fue una herramienta que alivio mucho para la adecuación de la paleta turbina del extractor de un orificio de 9.5mm a 8mm.
Lo use para cortar aluminio de una lata de cerveza (justo se ve al lado del ventilador) y con el eje darle forma
Ver el archivo adjunto 333181
Sí, es que fue lo que encontré, en parte sirvio para arrancar, entre lo tuyo y lo de él, ha salido.
Si tu motor venia con uno de 2 microfaradios deberías dejarle ese, porque ya no es tu viejo motor . Que lo disfrutes
¿Por qué? ¿A qué se debe la necesidad de cambiar el condensador de un motor nuevo por un condensador viejo?Puse el capacitor por delante, para cambiarlo
¿Por qué? ¿A qué se debe la necesidad de cambiar el condensador de un motor nuevo por un condensador viejo?
Me surgió la curiosidad.
Nota.. No tires las orejas esas, te pueden servir para alguno de los proyectos en los que siempre andas metido. Y no ocupan nada de espacio.
No, las iba a guardar, efectivamente, no ocupan nada y para algún arreglo pueden servirNota.. No tires las orejas esas, te pueden servir para alguno de los proyectos en los que siempre andas metido. Y no ocupan nada de espacio.
Se cambia el capacitor cuando despues de 3 o 4 temporadas empieza a perder capacidad, sino no hay justificativo técnico alguno para hacerlo .¿Es inconveniente hacer el cambio?
Lo hice y anda algo más rápido, pero puedo volver a colocar el que tenía, al menos en el foro se planteo eso de hacer el cambio a favor de una mayor velocidad, claro, sin pasarse del porcentaje
Las cosas que funcionan no se tocan... ese es mi lema.En general, el cambio es para mayor velocidad, sin sobrepasar el 50% del original, o sea, si es 2UF, lo maximo seran 3UF
A favor de una mayor velocidad, cuando el ventilador ya tiene 10 años y el capacitor ya esta SECO.¿Es inconveniente hacer el cambio?
Lo hice y anda algo más rápido, pero puedo volver a colocar el que tenía, al menos en el foro se planteo eso de hacer el cambio a favor de una mayor velocidad, claro, sin pasarse del porcentaje
Lo nuevo que funciona BIEN, NO SE TOCA, por favor.
A favor de una mayor velocidad, cuando el ventilador ya tiene 10 años y el capacitor ya esta SECO.


Se cambia el capacitor cuando despues de 3 o 4 temporadas empieza a perder capacidad, sino no hay justificativo técnico alguno para hacerlo .
El motor va a calentar mas innecesariamente y a consumir mas de la cuenta. Eso estaba claro desde el principio. Cuando no se consigue el exacto se puede intentar otro cercano, no mas de un 50%.
Por favor, no sea chapucero. Gracias
No nos haga enojar por favor
Hell, no es así. Nunca se pregonó que habia que aumentar la velocidad cambiando el capacitor. Lo que SI se dice es que cuando el capacitor falla, baja la velocidad del ventilador y le cuesta arrancar, pero esos son los síntomas del problema que se resuelve cambiando el capacitor.Es que en general en el foro se pregono eso de aumentar la velocidad cambiando el condensador y no me tope con lo otro.
Hell, no es así. Nunca se pregonó que habia que aumentar la velocidad cambiando el capacitor. Lo que SI se dice es que cuando el capacitor falla, baja la velocidad del ventilador y le cuesta arrancar, pero esos son los síntomas del problema que se resuelve cambiando el capacitor.
Si a vos no te falla, el capacitor no hay que tocarlo.
